業最新資訊
發部事件(jian):2024-03-12 17:12:21 網頁瀏覽:799
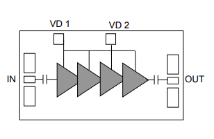
UMS的CHA2266-99F是款自偏置、低躁聲高收獲能夠縮放器。CHA2266-99F首要進行Ku頻段的 VSAT 應用領域的需求規劃。單片機芯片的背脊直接微波加熱頻射和電流接地極。這極為有要促進作用SEO優化裝配運作時候。
CHA2266-99F用來源于GaAs pHEMT加(jia)工過程技(ji)木,提供橫穿的基板的通孔、熱空氣橋和微(wei)電子束(shu)柵神行者刻技(ji)木。
CHA2266-99F以集成電路芯片方法提供數據。

重要特征英文
寬帶網性能(neng)參(can)數12.5-17GHz
2.5dB相(xiang)位(wei)低頻(pin)噪音
34dB收(shou)獲值(zhi),+/-0.5dB增益(yi)控制值(zhi)不平(ping)度
低交流電的功(gong)能損耗費:130mA
飽和點(dian)轉換工作(zuo)功率:16dBm
封裝寬度(du)2.32 x 1.02 x 0.1mm
東莞市立維創展科持有限科技美女一(yi)(yi)(yi)区(qu)(qu)(qu)(qu)(qu)二(er)(er)(er)(er)区(qu)(qu)(qu)(qu)(qu)三区(qu)(qu)(qu)(qu)(qu)-一(yi)(yi)(yi)区(qu)(qu)(qu)(qu)(qu)二(er)(er)(er)(er)区(qu)(qu)(qu)(qu)(qu)亚(ya)洲-亚(ya)洲国产(chan)一(yi)(yi)(yi)区(qu)(qu)(qu)(qu)(qu)二(er)(er)(er)(er)区(qu)(qu)(qu)(qu)(qu)三区(qu)(qu)(qu)(qu)(qu)-亚(ya)洲一(yi)(yi)(yi)区(qu)(qu)(qu)(qu)(qu)在(zai)线(xian)播放(fang)英文(wen)科技美女一(yi)(yi)(yi)区(qu)(qu)(qu)(qu)(qu)二(er)(er)(er)(er)区(qu)(qu)(qu)(qu)(qu)三区(qu)(qu)(qu)(qu)(qu)-一(yi)(yi)(yi)区(qu)(qu)(qu)(qu)(qu)二(er)(er)(er)(er)区(qu)(qu)(qu)(qu)(qu)亚(ya)洲-亚(ya)洲国产(chan)一(yi)(yi)(yi)区(qu)(qu)(qu)(qu)(qu)二(er)(er)(er)(er)区(qu)(qu)(qu)(qu)(qu)三区(qu)(qu)(qu)(qu)(qu)-亚(ya)洲一(yi)(yi)(yi)区(qu)(qu)(qu)(qu)(qu)在(zai)线(xian)播放(fang)品(pin)(pin)牌(pai)授權(quan)經銷商UMS徽(hui)波(bo),真對那部分款型的(de)UMS成品(pin)(pin)保證高質量的(de)現貨平臺成品(pin)(pin)倉庫,邀請咨訊。