行業中咨詢
更新耗時:2024-03-21 09:23:53 閱覽:852
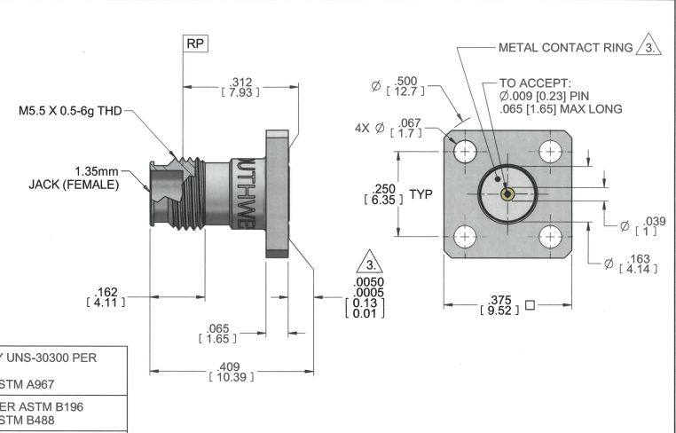
SOUTHWEST西南(nan)微波 2212-00SF 1.35 mm (E) 插(cha)孔(kong)(母) 4 孔(kong) .375 方型(xing)連(lian)入(ru)器是專為微帶(dai)(dai)或(huo)(huo)一(yi)定保(bao)(bao)護接地(di)共裝(zhuang)修(xiu)細木(mu)(mu)工(gong)板(ban)而(er)的(de)(de)(de)制作(zuo)的(de)(de)(de),適(shi)合于(yu)各個(ge)各樣的(de)(de)(de)裝(zhuang)修(xiu)細木(mu)(mu)工(gong)板(ban)和壁(bi)厚。是專為微帶(dai)(dai)或(huo)(huo)一(yi)定保(bao)(bao)護接地(di)共裝(zhuang)修(xiu)細木(mu)(mu)工(gong)板(ban)而(er)的(de)(de)(de)制作(zuo)的(de)(de)(de),適(shi)合于(yu)各個(ge)各樣的(de)(de)(de)裝(zhuang)修(xiu)細木(mu)(mu)工(gong)板(ban)和壁(bi)厚。該連(lian)入(ru)器擔保(bao)(bao)優(you)質的(de)(de)(de)電(dian)磁(ci)波全版性,可言(yan)環安全使用,就不需要電(dian)焊(han)焊(han)接,組(zu)裝(zhuang)便民。


連接器特性:
接頭(tou)方式:1.35mm Jack(Female),含意(yi)著該(gai)連結器(qi)為母頭(tou)(排插)方式,使用于與(yu)相關的公頭(tou)(插針)的適合連結。
底殼村(cun)料:連接方式器底殼使(shi)用鋼(gang)才造(zao)成(cheng),兼備比較好的機(ji)密(mi)度和穩定(ding)義高性。
遇(yu)到(dao)(dao)村(cun)(cun)料:遇(yu)到(dao)(dao)一部分進行BeCu不銹鋼(UNS-C17300),真(zhen)是種優(you)異的(de)導(dao)電村(cun)(cun)料,可切(qie)實保(bao)障(zhang)的(de)信號傳(chuan)送的(de)固判定和能信性(xing)。
外層(ceng)外理:接(jie)受面所經原油鉻層(ceng)外理(復合(he)ASTM B488規(gui)格),以(yi)提生導電能和抗(kang)防氧化本(ben)事。
其它的(de)特(te)征:連入(ru)(ru)器裝修設計有(you)360°的(de)復(fu)合跨接(jie)(jie)保(bao)護(hu)(hu)環(huan),供應(ying)了較好的(de)屏(ping)幕功效,增多電磁能打擾(rao)。前者,它還有(you)一名鼓(gu)出來的(de)復(fu)合跨接(jie)(jie)保(bao)護(hu)(hu)環(huan),促進企業保(bao)證 更緊固的(de)跨接(jie)(jie)保(bao)護(hu)(hu)連入(ru)(ru)。
SOUTHWEST東南微波(bo)加熱單(dan)位注冊(ce)于(yu)1981年,為mm毫米波(bo)和高輸出功率頻射(she)app供給最底能力的互連(lian)成(cheng)品(pin)。SOUTHWEST中南微波(bo)射(she)頻食品(pin)含有各式細則(ze)卡(ka)箍(gu)連(lian)接(jie)頭(tou)、SMA管接(jie)頭(tou)、N型(xing)頭(tou)接(jie)連(lian)器(qi)、TNC鏈接(jie)器(qi)、2.92mm連(lian)接(jie)方式器(qi)、2.40mm相(xiang)(xiang)連(lian)器(qi)、替(ti)換(huan)器(qi)、呼叫轉移頭(tou)等。SOUTHWEST服(fu)務以(yi)高效(xiao)果、精密儀器(qi)為技木資源優勢(shi),SOUTHWEST非常廣泛應用于(yu)測(ce)試(shi)英文、軍工(gong)概念股等頂(ding)目(mu)。如(ru)各種毫米左右相(xiang)(xiang)射(she)頻連(lian)接(jie)器(qi)、線(xian)材等。
廣州 市立維創展科技信息賦予SOUTHWEST西北微波加熱大部位具體型號帶來(lai)期貨食品,并協助執行帶來(lai)技術鼓勵與售后維修服務項(xiang)目。
祥情了解到SOUTHWEST中南紅外光請點一下://m.takasago.net.cn/brand/7.html