服務行業新聞咨詢
披露時光:2024-04-22 09:28:29 瀏(liu)覽網頁:873
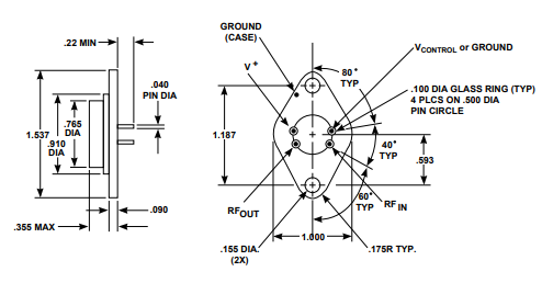
AGC-330是一款壓控放大器,由Teledyne公司生產。它采(cai)用(yong)了兩(liang)級薄膜雙(shuang)極射頻放大器(qi)和具有(you)0至5伏直流(liu)控制的(de)PIN二極管的(de)組合。這(zhe)種設計使(shi)得AGC-330能夠實現(xian)超過36 dB的(de)增益變化。電(dian)(dian)阻反饋確保了在不同溫度(du)下的(de)穩定(ding)增益,并且通過使(shi)用(yong)旁路電(dian)(dian)容器(qi)和扼流(liu)圈來對偏(pian)置輸入電(dian)(dian)壓進行射頻保護(hu)。該放大器(qi)封裝在TO-3密封封裝中。

以下是AGC-330的主要特性:
- 頻點的范圍:5至300 MHz- 單包芯片封裝- 寬AGC依據:36 dB(主要表現值)- 22 dB的收獲(主要值)AGC-330的主要應用包括:
- 開環或閉環調控增益值調控- 接受機傷害增益值把握- 渦街流量計打出調平操縱等優點和用使AGC-330在諸多的頻射網絡體統中包括非常重要的效應,諸如安全可靠的設備、預警雷達體統等。| Maximum Ratings | |
| Parameter | Maximum |
| DC Voltage | +17 Volts |
| Continuous RF Input Power | +13 dBm |
| Operating Case Temperature | -55 to +125℃ |
| Storage Temperature | -62 to +150℃ |
| “R”Series Burn-In Temperature | +125°℃ |
| Thermal Characteristicsl | |
| θ?c | 105/105°C/W |
| Active Transistor Power Dissipation | 105/180 mW |
| Junction Temperature Above Case Temperature | 11/19°℃ |
| Weight:(typical)14.5 grams | |
北(bei)京市(shi)立維創展創新(xin)科技是(shi)Teledyne防務(wu)(wu)微電(dian)(dian)子的加盟商(shang)(shang)商(shang)(shang),供應(ying)Teledyne防務(wu)(wu)光電(dian)(dian)廠品覆(fu)蓋LDMOS、GaN、GaAs和(he)InP。Teledyne防務(wu)(wu)光電(dian)(dian)子服務(wu)(wu)線的支(zhi)持寬頻帶(dai)(dai)寬度、窄帶(dai)(dai)、電(dian)(dian)磁(ci)變大(da)器,工作頻率1MHz~220GHz,電(dian)(dian)率mW~10kW,優越(yue)性校園營銷(xiao)渠道帶(dai)(dai)來Teledyne防務(wu)(wu)電(dian)(dian)子技術進貨,歡迎圖片咨詢了解。
祥情掌(zhang)握(wo)Teledyne防務光(guang)電子請點擊(ji)率://m.takasago.net.cn/brand/46.html