的行業方式
上線時:2024-05-10 08:48:57 網(wang)頁瀏覽:826
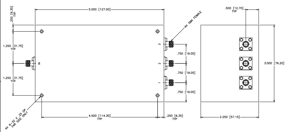
PLH3-2和PLH3-1是MCLI功(gong)率(lv)(lv)分(fen)配器/合并器。它們具有不同的(de)頻率(lv)(lv)范圍。PLH3-2的(de)頻率(lv)(lv)范圍是(shi)從(cong)0.02 GHz至(zhi)(zhi)0.13 GHz,而(er)PLH3-1的(de)頻率(lv)(lv)范圍是(shi)從(cong)0.03 GHz至(zhi)(zhi)0.5 GHz。關(guan)于VSWR(駐波比),PLH3-2的(de)VSWR為(wei)0.35 dB,而(er)PLH3-1的(de)VSWR為(wei)0.75 dB。

具體參數如下:
| Part# | Frequency Range (GHz) | Insertion Loss (dB) | lsolation(dB) | VSWR | Balance | Phase Balance | Power Avg.(W) | ||||
| Min A | Max A | In÷ | out | ||||||||
| PLH3-2 | 0.02 | 0.13 | 0.35 | 35 | 1.30:11.30:1 | ±0.2dB | ±5° | 100 | |||
| PLH3-1 | 0.03 | 0.5 | 0.75 | 20 | 1.35:11.35:1 | ±0.3dB | ±5° | 100 | |||
成都市立維創展高新科技限制總部,授權書加盟銷售員MCLI廠(chang)品,追捧企業資(zi)訊(xun)。