服務業資迅
發布信息精力:2024-05-20 09:02:27 預覽(lan):872

主要特點:
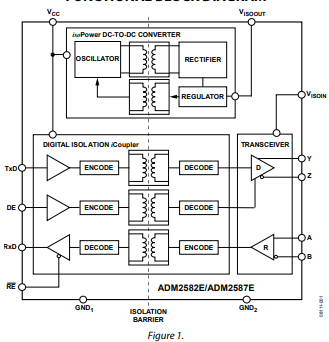
- 壓根整合式隔開數據分析出入庫器:ADM2587E整合了三通管件道隔開器、三態差分路線圖能夠器、差分投入接受器和有一個isoPower DC/DC準換器,出示了有一個完成的數字信號和交流電源隔開解決計劃書。 - ±15 kV ESD保護區英文:RS485輸人/打出引腳都具有感應電電池充電(ESD)保護區英文,升高了控制系統的經用性和準確性。 - ibms式隔絕DC-DC供電:內嵌的isoPower水平出具隔絕的DC/DC切換,暫時無法冗余DC/DC隔絕傳感器。 - 合乎規格的:設汁合乎ANSI TIA/EIA-485-A-98和ISO 8482:1987(E)規格的,中用于穩定的文件傳輸方式。 - 敏銳的工作任務電壓電流:支撐5V或3.3V單交流電源配電。 - 高的數劇濃度:ADM2587E扶持高達模型500 kbps的的數劇濃度。 - 多結點支持軟件:數據總線就可以相連接幾瓦256個結點。 - 告警保護性好的:滿足串入和串電告警保護性好的傳輸器輸人,包括熱關斷保護性好的功用。 - 高共模瞬變抗擾度:存在達到25 kV/μs的共模瞬變抗擾度,改善了裝置在極端環保下的可靠性。應用:
- 隔開式RS-485/RS-422插口:不適廣泛用于必須要電氣設備隔開的RS-485/RS-422通訊網絡插口。 - 行業現象網上:在行業全機械和掌握系統化中,代替勾勒安全的通信網網上。 - 多些數據源分析傳遞系統:在多些通訊系統中,中用髙速數據源分析傳遞和讀取。產品型號:
| Model' | Data Rate (MMbps | Temperature Range | Package Description | Package Option | |
| ADM2582EBRWZ ADM2582EBRWZ-REEL7 | 16 16 | -40℃ to+85℃ -40℃ to+85℃ | 20-Lead SOIC_W 20-Lead SOIC_W | RW-20 RW-20 | |
| ADM2587EBRWZ ADM2587EBRWZ-REEL7 | 0.5 0.5 | -40℃ to +85℃ -40℃ to+85℃ | 20-Lead SOIC_W 20-Lead SOIC_W | RW-20 RW-20 | |
| EVAL-ADM2582EEBZ EVAL-ADM2582EEMIZ EVAL-ADM2587EEBZ EVAL-ADM2587EEMIZ EVAL-ADM2587EARDZ EVAL-ADM2587ERPIZ EVAL-ADM2587EEB2Z | ADM2582E Evaluation Board ADM2582E EMI Compliant Evaluation Board ADM2587E Evaluation Board ADM2587E EMI Compliant Evaluation Board ADM2587E Arduino Evaluation Board ADM2587E Raspberry Pi Evaluation Board ADM2587E Isolated RS-485 Repeater Evaluation Board | ||||