制造業介紹
發布消(xiao)息時間間隔(ge):2024-05-22 08:56:57 瀏覽器:864

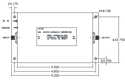
AHP0010-20-3040射頻功率放大器是WENTEQ公(gong)司生產的一款高性能微波設備。它具有(you)以下特點(dian):
1. 高馬力效果:能具備達到10瓦特的P-1dB馬力效果,以保證信息高速傳輸的難度和生產率。 2. 積極的VSWR:體現了維持的VSWR,要確保了增加器在作業時候中的維持性。 3. 快速能Class AB操作流程方法習慣:所采用Class AB操作流程方法習慣,即在要做到快速能率的與此同時要做到較低的耗電。 4. SMA性質的媽媽相接插件:按照SMA性質的媽媽相接插件,簡單方便與相關微波射頻設備相接入。 在電力機械工作方面,該放小器的操作運用熱度因素范疇為-20至+65°C,保存熱度因素范疇為-45至+125°C,要求寬溫生活條件下的運用的需求。電力機械使用性能參數例如頻繁 范疇(88.0-108.0 MHz)、P-1dB減小點(+39.0至+40.0 dBm)、輸出電壓IP3(55.0 dBm)等,證明該放小器在頻射使用性能上的表現市場大的。 在機組成部分因素,該變小器外形長寬高約為5.2x3.0x1.05英寸,緊身的外形長寬高比較合適在設備內層或外邊相連。擁有DC IN、GRDUND、INPUT、OUTPUT等相連點,更方便與外邊控制電路相連。規格參數:
| Parameters | Units | Specifications | ||
| Minimum | Typical | Maximum | ||
| Frequency Range | MHz | 88.0 | 108.0 | |
| P-1dB Compression Point | dBm | +39.0 | +40.0 | |
| Output IP3 | dBm | 55.0 | ||
| Nominal Gain@25°℃ base plate temperature | dB | 27.0 | 30.0 | 33.0 |
| Gain flatness | dB | +/-1.0 | ||
| Gain Variation over temperature | dB | +/-1.5 | ||
| Input VSWR | 1.5:1 | 2.0:1 | ||
| Output VSWR | 1.8:1 | 2.0:1 | ||
| Spurious | dBc | -60.0 | ||
| Operating Temperature | ℃ | 40.0 | +75.0 | |
| Survival Temperature | ℃ | -45.0 | +125.0 | |
| DC Power Supply Voltage | V | 48.0 | 50.0 | 53.0 |
| DC Curren Quiescent (no RF) aPout=+40dBm | mA | 100 500 | 200 650 | |
| In/Out connectors | SMA-type female | |||
| Size | inches | 5.2x3.0x1.0 | ||
武漢市立維創展科學技術是WENTEQ的(de)經售商(shang),關鍵給出WENTEQ服務的(de)也包括弧(hu)形器、隔(ge)離器、負債終(zhong)端機等,服務的(de)原版進口商(shang),質(zhi)量水(shui)平保障,價錢好處(chu),認可詳詢。