17500-4015S SSBP多同軸Micro-D電纜線插孔長接地子SOUTHWEST
發布新聞時間:2024-06-04 08:56:02 觀看:895
型號17500-4015S SSBP多同軸Micro-D電纜插頭長絕緣子是由SOUTHWEST華南紅外光制(zhi)造的(de)一款高(gao)性(xing)能連接器(qi)組件。該插頭專為Micro-D連接器(qi)系統設計(ji),適用(yong)(yong)于高(gao)密度(du)、多通道的(de)應用(yong)(yong)場(chang)景,尤其是在(zai)對(dui)頻(pin)率、帶寬和(he)信(xin)(xin)號損耗有嚴格要求的(de)通信(xin)(xin)環境中表現出色。

文件和漆層能層治理部分,該插口的機殼應用鋁錳鋼6061文件,并可以依照ASTM B221規定的實施加工治理,漆層能層要經過無鈦電極鎳鉻層治理,適用ASTM
B733-90規定的,以加強耐腐燭性和實用性。絕緣電阻帶子應用ULTEM 1000文件,適用ASTM
D5205規定的,兼具非常好的機械絕緣電阻帶能和耐炎熱能。更改夾應用BeCu錳鋼(UNS-C17200),可以依照ASTM
B194規定的生產,抓實插口與插座面板的結實銜接。充實無機化合物為環氧防銹漆不飽和樹脂,適用于庇護內部的構成和加強整體布局能。連接電腦硬件應用不銹鋼材質文件,適用SAE-AMS-QQ-S-763規定的,漆層能層實施鈍化治理,適用ASTM
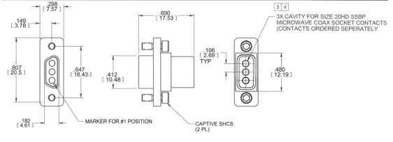
A967規定的,以怎強抗腐燭意識。 該電源電源插座就多留幾個的特性主要包括三同軸插孔,專為SSBP(Shielded Single Bayonet
Plug)方案,整個SSBP和網絡信號燈觸頭全都是可添加和可移除的,簡單維護與保養和換個,安全使用標淮M81969/39-01添加/撥出來的工具才可以基本操作。電源插座就多留幾個觸頭與MIL-C-39029/64標淮的網絡信號燈電源插座就多留幾個觸頭兼容,狠抓了優異的調換性和兼容。尺碼和弧度部門都為屏幕圖片尺寸和度數,括號內的尺碼以公分為部門,簡單用戶組給出各個所需展開選澤和安轉。

廣州 市立維創展創新科技賦予SOUTHWEST東南微波通信大(da)方面技術工(gong)藝參數出(chu)具(ju)外盤新產品,并督(du)促出(chu)具(ju)技術工(gong)藝可(ke)以與售后維修(xiu)服務性。
信息了解SOUTHWEST西南地區微波通信請單擊://m.takasago.net.cn/brand/7.html