業信息資訊
公布期限:2024-08-05 08:43:30 打開網(wang)頁:733

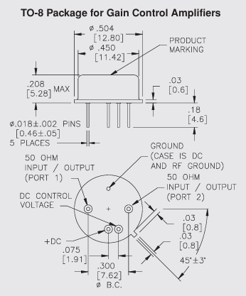
AGC525 TO-8增益控制放大器是由Teledyne防務電子生(sheng)產的一款(kuan)高性能產品。以下(xia)是該產品的詳(xiang)細(xi)介紹:
基本參數
形號:AGC525 裝封:TO-8標準規定尺寸圖裝封,采采用增益值操作調大器 增益值:主要表現值一般選擇25.5dB,最大值一般選擇24.0dB至24.5dB 增加收益平淡度:非常大±0.8dB 燥聲指數公式:最大的5.0dB,表達優秀 駐波比(SWR):輸入打出服務器端口均高于2.0:1控制特性
把握依據:0到+5V AGC的時間范圍:最長30dB,展示出寬的時間范圍的操縱業務能力 加載失敗時:全AGC下不大于10微秒,變換效率快電氣特性
| Parameter | Typical | 0 to 50℃ | 55 to+85℃ |
| Frequency (Min.) | 10-600 MHz | 10-500 MHz | 10-500 MHz |
| Gain (Min.) Vo=0 | 25.5 dB | 24.5 dB | 24.0 dB |
| Gain Flatness(Max.) | ±0.5 dB | ±0.7 dB | ±0.8 dB |
| AGC Range(Min. | 30 dB | 26 dB | |
| Noise Figure (Max.) | 5.0 dB | 6.0 dB | 6.5 dB |
| SWR (Max.) Input/Output | <1.6:1 | 2.0:1 | 2.0:1 |
| Power Output (Min.) @1dB comp | +11.0 dBm | +10.0 dBm | +9.5 dBm |
| Response Time Full AGC | <10 μsec | ||
| DC Current(Max.) Bias | 45 mA | 48 mA | 51 mA |
| DC Current(Max.) Vo | 0 to 10 mA |
廣州市立維創展科技創新是Teledyne防務(wu)電子(zi)為了滿足(zu)電子(zi)時(shi)代發展的需求,的代理商商,給出Teledyne防務電子設備商品包涵LDMOS、GaN、GaAs和InP。Teledyne防務智能食品線可以支持寬幀率段、窄帶、電磁放小器,幀率1MHz~220GHz,熱效率mW~10kW,優質校園營銷渠道給予Teledyne防務電子元器件定貨,熱烈歡迎資詢。