相關行業方式
發布了時(shi)長:2024-08-07 08:58:58 挑選:780

EPD-4L-SF功分器是由ELECTRO-PHOTONICS公司生(sheng)產的(de)一款高性能、寬頻帶的(de)4路功率分(fen)配器(qi)/組合器(qi)。該產品的(de)主要特點和規格如下:
主要特點
方問性: 0° 的頻率范圍內: 4.0 GHz到8 GHz 大效果馬力: 30W 高效能: 給出低插入圖損耗率、高隔離度、低駐波比(VSWR)和完善的的頻率及相位平衡量。 省油的suv長寬: 設置省油的suv,以及在現有的服務器內安轉和用到。性能規格
| PARAMETER | SPECIFICATION |
| FREQUENCY RANGE | 4.0-8 GHz |
| EXCESS INSERTIONLOSS* | 0.8dB |
| ISOLATION | 18 dB |
| VSWR | 1.3 |
| AMPLITUDE BALANCE | ±0.3 dB |
| PHASE BALANCE | ±3° |
| POWER HANDLING | Forward:30W |
| Reverse:1W |
應用領域
機械規格
| PARAMETER | SPECIFICATION |
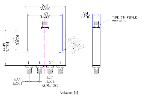
| MATING INTERFACE | SMA(F) |
| OPERATINGTEMP | -55 TO+85℃ |
| NON-OPERATINGTEMP | -55 TO+100 ℃ |
| MATERIAL/FINISH | Aluminum with black epoxy |
| resin paint |
尺寸圖:

ELECTRO-PHOTONICS有了(le)25年(nian)的攻擊(ji)微波射頻電氣元件規劃與開發(fa)經驗值,食品(pin)(pin)包括混合(he)著和定向分(fen)配合(he)體器、功分(fen)器、濾波器、公(gong)測板、隔絕器、馬蹄(ti)形器等食品(pin)(pin)。
蘇州市立維(wei)創展高(gao)新科技不(bu)多(duo)裝修公司代分銷(xiao)商Electro-Photonics食品。如果要(yao)求Electro-Photonics徽波(bo),喜(xi)歡(huan)鼠標單擊一側網上客服(fu)溝(gou)通他(ta)們(men)!!!