行業領域新聞咨詢
上線耗時:2024-08-15 09:08:06 手機瀏(liu)覽:782
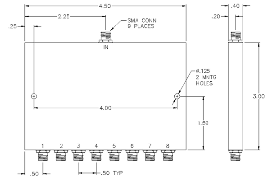
PULSAR功率(lv)分配(pei)器PS8-02-454/1S是一款高性能的8路SMA功分器,專為0.85至1.7GHz的頻(pin)率(lv)范圍設(she)計。該設(she)備能夠將(jiang)輸入信號均勻分配(pei)到(dao)8個輸出端口,適用于(yu)多(duo)種無線通信和(he)雷達系統。

主要特點:
頻次規模:0.85-1.7 GHz 讀取耗用:最高0.8dB,保證 預警網絡傳輸率高,耗用低。 丟開:最低20dB,更好減掉各導出網絡端口當中的數據串擾。 波動平衡點:最多0.4dB,切實保障各輸出的串口的數據信息硬度一致性。 相位不平衡量:最高5°,加強組織領導預警相位的共同性。 駐波比:極限1.30:1,升高信號燈全反射,升高設計安全性。 錄入電率:最好30W,適宜于高電率軟件應用。 無線電源連接器結構類型:SMA系統,廣兼容不同主設備。 短路電流VSWR:額定容量導入工作效率下相對比較1.20:1,進的一步提高了走勢線質量。 面積:4.50" x 3.00" x 0.40"
東莞 市立維創展科枝許可一級代理出售PULSAR微波射頻類(lei)產品,并展示售(shou)后維修支撐服務培訓,喜(xi)愛咨(zi)訊。