餐飲行業訊息
上(shang)線時段:2024-10-09 09:08:34 瀏覽器:5522

Electro-Photonics的EPD-2A1-SF是(shi)一款高性能的2路0°功(gong)率分配(pei)器(qi),具有以(yi)下(xia)特(te)點:
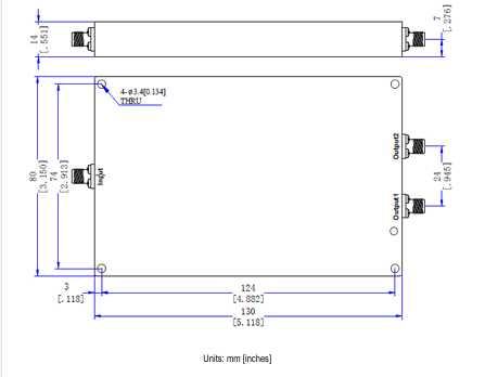
1. 緊奏型開發:小規模裝封,適合空間區域限制的運用。 2. 概率領域:遍布100至500MHz,符合光纖寬帶應用領域。 3. 性能方面優裕: 同相熱效率瓦解,為了保證數據一直性。 低放進去損耗量(最大的0.6 dB),確認數字信號效率。 高丟開度(一次20 dB),可以減少短信通道間打擾。 穩定的震幅靜態平衡量(±0.2 dB)和相位靜態平衡量(±3°)。 4. 高最大功率正確處理技能: 正在向熱效率:50W。 反向的方式給回工率:10W。 5. 接頭類形:SMA(F),通用性且不穩定性。 6. 濕度規模: 作業攝氏度:-35°C至+75°C。 非任務濕度:-55°C至+100°C。 7. 油漆顏色:暗紅色外漆,具有著專業的油漆顏色。應用領域:
電子技術戰 雷達探測機系統 測試軟件和自動測量產品 EPD-2A1-SF以它睿智的效果和緊湊型suv的盡寸,相對適必須高效果預警分發的寬帶網采用。尺寸:

ELECTRO-PHOTONICS收獲(huo)25年的攻擊rf射(she)頻(pin)開關(guan)元件設計構思與造成閱歷,的好產(chan)品分為混合著和定向(xiang)生交叉(cha)耦合器、功分器、濾波(bo)器、測(ce)試(shi)方法(fa)板、防護(hu)器、弧形(xing)器等的好產(chan)品。
佛(fo)山市立維創(chuang)展科技產業(ye)(ye)(ye)有限企業(ye)(ye)(ye)企業(ye)(ye)(ye)地區代(dai)理分銷系統Electro-Photonics企業(ye)(ye)(ye)產品。如(ru)果(guo)必(bi)須要 Electro-Photonics微波通信,邀請點開左測售后連系他們!!!