MAAD-011021-0GPDIE字母衰減器現貨黃金存貨MACOM
發(fa)布的的時間:2024-10-15 17:37:16 打開網頁:695
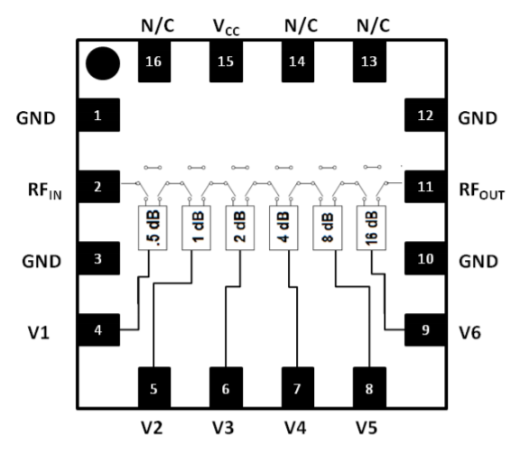
MACOM的MAAD-011021-0GPDIE是款覆蓋DC至30 GHz的寬帶6位數字衰減器。衰減位值為0.5 dB LSB(最低索引值)、1、2、4、8和16 dB,總衰減為31.5 dB。MAAD-011021-0GPDIE衰減偏差通常低于+/-0.5 dB,RMS相位偏移在20 GHz時低于5度,典型插入損耗在15 GHz時為7.2 dB。在大多數頻率和衰減情況下,插入損耗一般為12dB。
MAAD-011021-0GPDIE衰減器ibms化本身直流軟啟動器,能夠對串接/串聯衰減實現了集中化化調節。直流軟啟動器須得-5V開關按鈕電原(VCC)和17mA的典型性電壓電流量,規律性為0V/+5V。MAAD-011021-0GPDIE可以作為為裸片作為;

特性6位,0.5 dB LSB,31.5 dB施用使用范圍低均方根相位4.3°@20 GHz+/-0.5 dB一般次方偏離一體化TTL 0/+5V調節DC至30 GHz采用大多數保持與偏壓的ESD自我保護無鉛3mm 16管腳PQFN封口好產品外形尺寸表達:小數衰減器,6位,0.5 dB LSB步幅低幀率(MHz):0最高的人次數(MHz):30000衰減器選擇空間(dB):31.5添加圖片耗率(dB):6.000數字:6IIP3(dBm):38封口:3mm PQFN-16LD封口門類:塑膠外壁貼裝工藝ROHS:YES廣州 市立維創展科技產業授權書代銷商MACOM物品線,常見出售MACOM的可變性增益值控制變成器,工作電壓變成器,低背景噪聲變成器,直線變成器,搭配變成器,FTTx變成器,規劃式變成器,變成器增益值控制傳感器,有源區分器,功分器,倍頻器,搭配式混頻器,混頻器,上直流變頻空調器,號碼衰減器,號碼移相器,工作電壓測試器,壓控衰減器等多種類半導體器件。如需購入MACOM物品,請單擊左面售后了解!!!