企業快訊
正式發布(bu)時間:2024-10-23 16:59:39 查詢(xun):589
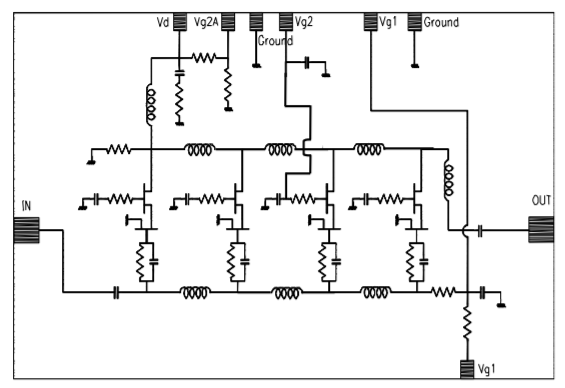
UMS的(de)CHA3023-99F是款運用共(gong)源共(gong)柵(zha)FET的(de)導波調大器。為(wei)廣泛利用利用市場需求構思。
CHA3023-99F使用的(de)0.25μm柵極厚度(du)的(de)pHEMT流(liu)程枝術(shu),跟據橫(heng)穿柔性板的(de)孔主氣橋,還有以裸片樣(yang)式帶來。

常見的特征
聯(lian)通寬帶特性:1-18GHz
14dB增益控制值
3dB具代表性(xing)低相位噪音分貝
0.7dB收獲值(zhi)鋼筋保護層(ceng)度
封口尺碼:2.15 X 1.42 X 0.10mm
武漢市立維創展科技創新(xin)(xin)有(you)現品(pin)牌(pai)(pai)品(pin)牌(pai)(pai)授權(quan)生產(chan)商UMS紅外光(guang),采取一部分型號規格的UMS新(xin)(xin)產(chan)品(pin)的提供數(shu)據優異的期貨新(xin)(xin)產(chan)品(pin)的庫存商品(pin),邀請管理咨詢。
AMPLIFIER – MPA| Reference | RF Bandwidth (GHz) | Gain | IP3 | P-1dB OUT | Sat. Output Power | Bias | Bias | Case | |||||||||||
| min | max | ||||||||||||||||||
| CHA3023-99F | 1 | 18 | 14 | - | 17 | - | 95 | 5 | Die | ||||||||||