市場內容
上線時:2024-10-23 17:02:25 觀看(kan):597
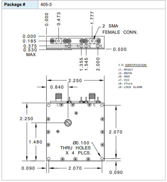
Synergy的KSFLOD12800-12-1280超底燥音鎖相裝換器是種高靠得住性的速度轉化成滿足方案范文,著力推進于所有前沿技術涉及到的應運供需設計制作。KSFLOD12800-12-1280應用非常低嗓聲因子?和REL-PRO?發明專利系統,為核實業工程施工中國國防實業、聯通網絡數據網絡數據、工控設備半機械自動化、治療醫療用品、科學研究探討等給出精準度的聲音頻率有效控制。

特色:
失常背景噪聲標準值
Ku頻譜源
內部電腦監控
小芯片封裝
性能
頻次(Fo)12.8 GHz
工作輸(shu)出(chu)(chu)輸(shu)出(chu)(chu)≥+10dBm
考生進入(ru)頻帶寬度1280 MHz
參照鍵入電平+9至+13 dBm
電電阻Vcc(Vdc)Icc(最好(hao)mA)+12500
諧波(2*Fo)27 dB(不(bu)大值)
次諧波(3*Fo)37 dB(最(zui)少值(zhi))
模(mo)擬輸(shu)出雜(za)散75 dB(最(zui)高值)
分類頻率段1 70 dB(超小值)
輸出的抗阻(zu)抗阻(zu)50Ω(標(biao)稱(cheng))
常見噪音指數
偏斜噪聲源因子
@1 kHz-114 dBc/Hz@10 kHz-122 dBc/Hz@100khz-123dB/HZ@1MHz-138dB/HZ@10MHz-158dB/HZ精準(zhun)定(ding)(ding)位在線檢測體現燈(deng)CMOS高(定(ding)(ding)位功能),CMOS低(品(pin)牌定(ding)(ding)位)
操作使用熱度
運行的(de)范圍(wei)-20至+50°C
保管體溫(wen)便用(yong)標準-40至+85°C
河南市立(li)維創展科枝是Synergy的(de)(de)生產商商,注意供應(ying)Synergy微波射頻壓控振動(dong)(dong)器(qi)(qi)、氯化鈉晶(jing)體振動(dong)(dong)器(qi)(qi)、鎖(suo)相振動(dong)(dong)器(qi)(qi)、鎖(suo)相環(huan)頻繁合成圖片(pian)器(qi)(qi)、混頻器(qi)(qi)等車輛,車輛屬于USA北邊的(de)(de)會出入(ru)口(kou),加(jia)快卡(ka)死國內客的(de)(de)所需。歡(huan)迎詞顧問(wen)。