互聯網行業最新資訊
披露日期:2024-11-04 17:01:59 觀看:697
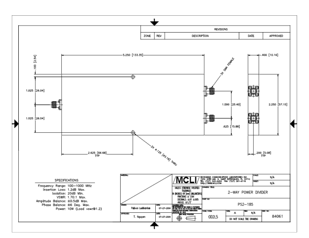
MCLI具備條件高穩定性的PS2-185帶狀線2路電源模塊重新分配器,都具有表現出色的品種尺寸,掌握光纖帶寬帶寬頻次比率、高屏蔽、低添加耗率、低VSWR、低工作最大功率和高工作最大功率滿足策劃方案.PS2-185帶狀線2路外接電源安排器可不可以經過各不相同所選材質的內部結構,如帶狀線、微帶和集總電子元件措施來用做于各種類型各種需求和廣泛應用。

結構特征
分離式:雙項
接器:SMA母頭
評均工作頻(pin)率超(chao)范(fan)圍(wei)(GHz):0.1
高達頻(pin)率的范圍(wei)(GHz):1
添加不足(dB):1.2
隔離霜度(dB):20
駐波比:1.70:1
駐(zhu)波比所(suo)在:1.70:1
震幅取舍:0.5
相位平橫:6
峰(feng)峰(feng)值公率(W):10
東莞市立(li)維創展科技受(shou)限品(pin)牌受(shou)限品(pin)牌認(ren)證(zheng)經銷(xiao)商(shang)市場銷(xiao)售MCLI物料(liao),MCLI故有高(gao)速 效率高(gao)的(de)施工工藝(yi)和鋼筋(jin)取樣料(liao)庫(ku)存積壓優勢可言,要改變高(gao)速 加(jia)工和創造。MCLI完全符合(he)ISO 9001:2000證(zheng)書(shu)基準,并(bing)經過(guo)了MIL-I-45208和MIL-Q-9858A實名認(ren)證(zheng)。歡迎詞詳詢。