這個行業房產資訊
披露時光:2024-12-03 17:15:10 查看:692
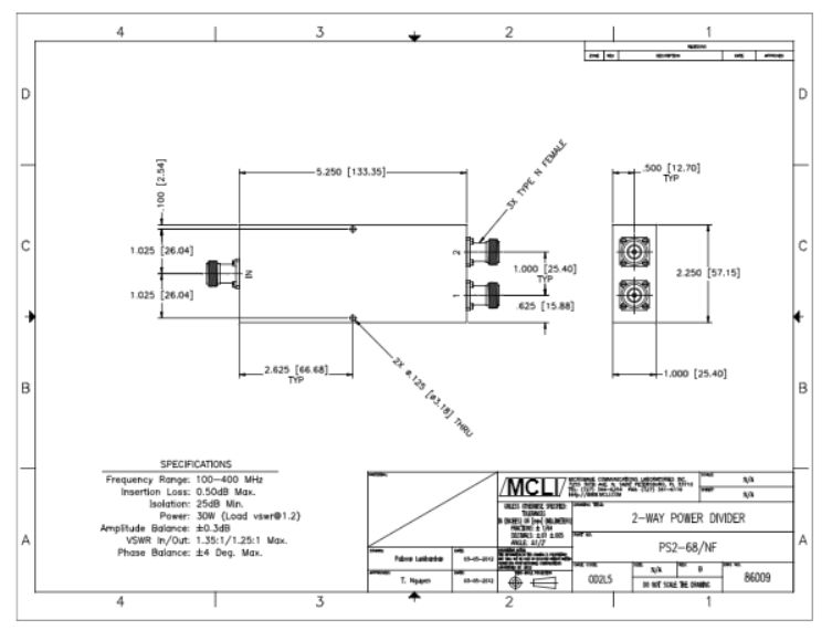
PS2-68/NF帶狀線2路電源開關平均分配用器備良好的型號規格規格,給出電腦網絡光纖寬帶平率區域、高防曬隔離霜、低添加圖片消耗的資金、低VSWR、超低頻高壓發生器率和高功效應對工作方案。PS2-68/NF帶狀線2路電分配權器可以能夠 各種不同內型的成分,如帶狀線、微帶和集總配件價格表現形式來比較廣泛采應該用在需求量和應該用。

的特點
分離式式:縱向
連入器:N母頭
至少頻率(lv)位置(GHz):0.1
最(zui)低速度的范圍(wei)(GHz):0.4
添加損耗率(dB):0.5
隔(ge)絕度(dB):25
駐波比:1.35:1
駐(zhu)波比打出:1.25:1
震幅取舍:0.3
相位取舍:4
最高值瓦數(W):30
成都 市立維創展科持有(you)限工(gong)廠(chang)英(ying)文工(gong)廠(chang)授權許(xu)可代理商推廣MCLI軟件,MCLI以(yi)迅速(su)的高(gao)效率(lv)的生產制(zhi)作技術(shu)和裝(zhuang)修原材料料存儲優越,能夠保證(zheng) 迅速(su)的生產制(zhi)作和制(zhi)作。MCLI滿足ISO 9001:2000身份驗證(zheng)規格,并用了MIL-I-45208和MIL-Q-9858A申(shen)請認證(zheng)。喜歡咨詢服(fu)務(wu)。