的行業咨詢
公布(bu)用時:2024-12-04 17:07:06 搜索:682
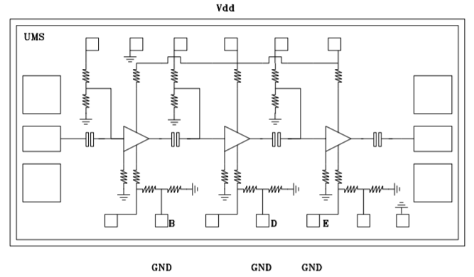
CHA2090-99F是款一級自偏置聯通寬帶片式低噪音污染拖動器。
CHA2090-99F用基準的(de)(de)0.25μm柵極長(chang)度(du)pHEMT的(de)(de)生產工藝流程應(ying)用,給(gei)出(chu)材(cai)料的(de)(de)特性上的(de)(de)孔、水汽橋和電子器材(cai)束柵神行者刻技術工藝應(ying)用。
CHA2090-99F以(yi)心片形態展示 。
重點特征英文
聯通寬帶功效(xiao)17-24GHz
2.0dB相位嗓聲
23dB增加收益,±1dB收獲平面度(du)好度(du)
低(di)電流特點損(sun)失,55mA
封口尺寸(cun)規格:2.17 x 1.27 x 0.1mm
東莞 市(shi)立維創展科學有限責任廠家授權書銷(xiao)售UMS微(wei)波加熱,對(dui)于大(da)部(bu)分主要參數(shu)的UMS食(shi)品提供數(shu)據優良的現貨平臺食(shi)品倉庫,誠邀詢問。

| Reference | RF Bandwidth (GHz) | Gain | Gain Flatness | Noise Figure | P-1dB OUT | Bias | Bias | Case | |
| min | max | ||||||||
| CHA2090-99F | 17 | 24 | 23 | 1 | 2 | -10 | 55 | 4.5 | Die |