這個行業信息資訊
公布的日子:2024-12-10 17:10:14 瀏覽(lan)訪問:628
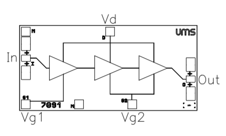
CHA2193-99F是款三階段工作噪音小污染調小器。集成電路芯片的后邊是頻射和直流電壓接地極。有弊于簡化安裝使用時候。
CHA2193-99F專(zhuan)(zhuan)業專(zhuan)(zhuan)注于(yu)從國防軍(jun)用軍(jun)用到(dao)商業性的(de)(de)服務(wu)項目移動通訊軟件系統(tong)的(de)(de)絕大多數使用的(de)(de)消費需求設計構思。
CHA2193-99F挑選pHEMT生產技(ji)術(shu)性技(ji)術(shu)性,柵極圖(tu)片尺寸(cun)為(wei)0.25μm,會根(gen)據柔性板上的通(tong)孔(kong)、廢氣橋(qiao)和自動化束(shu)柵北(bei)極光刻技(ji)能(neng)。
CHA2193-99F以處理器主(zhu)要形式(shi)出(chu)具。
關鍵共同點
2.0 dB噪聲污(wu)染指數公式
18 dB±1dB增益控(kong)制
8 dBm輸出(chu)精度工作功率(-1dB增益值房(fang)屋補償)
不錯的帶寬插入替換
直流(liu)電電耗電,60mA@3.5V
集成塊寬度:2.07 x 1.03 x 0.10mm
蘇(su)州市立維(wei)創(chuang)展創(chuang)新科技(ji)受限司授權使(shi)用代理(li)商UMS微波加熱,造成(cheng)部(bu)份類型的UMS物(wu)品供應(ying)良好(hao)的外盤物(wu)品庫存盤點,感謝咨(zi)詢(xun)服(fu)務。

| Reference | RF Bandwidth (GHz) | Gain | Gain Flatness | Noise Figure | P-1dB OUT | Bias | Bias | Case | |
| min | max | ||||||||
| CHA2193-99F | 20 | 30 | 18 | 0.5 | 2 | 8 | 60 | 3.5 | Die |