領域方式
更(geng)新的時間:2024-12-13 17:07:39 瀏(liu)覽器(qi):573
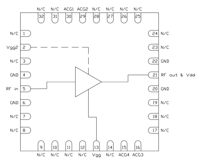
Qorvo的CMD244K5是款移動寬帶GaAs MMIC劃分式驅程圖像放大電路,的頻率空間從DC到20 GHz,安全使用無輸電線表層貼裝封裝行駛行駛。CMD244K5出示遠超17 dB的收獲值,合適的轉換1 dB縮小點為+25 dBm,10 GHz時的相位燥聲為2.5 dB。CMD244K5適用50Ω匹配設計制作,不同特別微波射頻接口匹配。

關鍵結構特征
超大頻機械性能
正增益控制值斜率
高輸入輸出電功率
低相位燥聲
無(wu)鉛(qian)RoHS標準的5x5mm SMT二極管(guan)封裝結構類型
非常典型采用
電子設備戰(EW)
統計發現
區域中位置
通信衛星(xing)通信(Satcom)
各種測試與精確測量
Custom MMIC始創(chuang)于2006年,是(shi)家(jia)無晶圓rf射頻(pin)和(he)微(wei)波通信MMIC設計方案機構,CUSTOM MMIC作(zuo)用(yong)(yong)工廠(chang)適(shi)用(yong)(yong)差(cha)不多型中(zhong)好(hao)的(de)MMIC優化調整觀眾(zhong)的(de)頻(pin)射信號(hao)燈鏈。CUSTOM MMIC是(shi)完美(mei)的(de)ISO認證(zheng)證(zheng)書規(gui)劃師(shi)和(he)相同型最(zui)好(hao)是(shi)MMICs生(sheng)(sheng)產(chan)商(shang)商(shang)。CUSTOM MMIC給予繼續生(sheng)(sheng)長的(de)高(gao)能(neng)力微(wei)波射頻(pin)/微(wei)波加熱MMIC物料線。
QORVO充當歐(ou)美有名(ming)的徽波與亳米波專(zhuan)業制造技術(shu)商,為全市場微(wei)信(xin)用戶提(ti)供了最(zui)快規模的GaN和GaAs貨(huo)品(pin),Qorvo在2020年完工Custom MMIC購置(zhi)。
東莞市立(li)維創展科技是有限(xian)的企(qi)(qi)業(ye)是有限(xian)的企(qi)(qi)業(ye)受(shou)權代理費經銷商(shang)Custom MMIC產品設(she)備線(xian),深表(biao)歉意所(suo)需受(shou)歡迎服務咨詢企(qi)(qi)業(ye)!!!