市場資訊、短視頻軟件
發布了時段:2025-01-07 15:17:20 搜索(suo):705
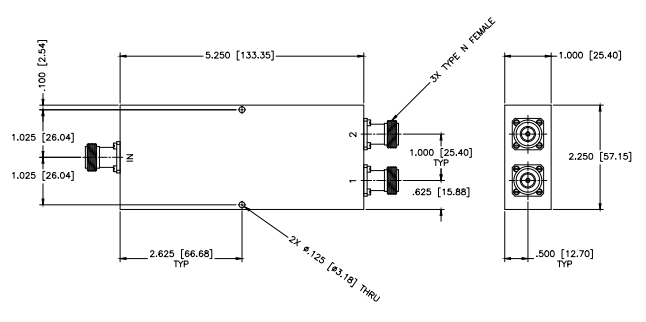
PS2-185/NF帶狀線2路供電分派器材備高靠譜性,借助不一樣的類型的形式(如帶狀線、微帶和集總元器件的方法)來最合適各種各樣需求分析和廣泛應用。
主耍特(te)質
電氣設備(bei)效(xiao)果
幾率(lv)使用范圍(wei):PS2-185/NF具備著較(jiao)寬的平(ping)率(lv)範圍(wei),通暢包括(kuo)從(cong)中頻到低頻的眾多(duo)頻段,低些平(ping)率(lv)就可以超過0.1GHz,但中應最(zui)高的人率(lv)因為(wei)差異(yi)金(jin)橋銅業跨接線(xian)的截面(mian)積大小或搭(da)配而無所差異(yi)。
添加(jia)圖(tu)(tu)片損(sun)失(shi)(shi):添加(jia)圖(tu)(tu)片損(sun)失(shi)(shi)是不平衡量分(fen)配(pei)原則器特性(xing)的(de)(de)注重依據中(zhong)的(de)(de)一個,PS2-185/NF帶狀線2路電源開關劃分(fen)器的(de)(de)放自(zi)然損(sun)耗較低,平常在(zai)1.2dB左右兩邊,這暗示著數據在(zai)采用(yong)調整器時的(de)(de)衰減較小。
防曬(shai)丟開霜(shuang)度:防曬(shai)丟開霜(shuang)度指是劃分(fen)器(qi)各傳輸端口號(hao)范(fan)圍內(nei)的(de)預警(jing)防曬(shai)丟開霜(shuang)層度。PS2-185/NF帶狀(zhuang)線2路電壓分(fen)發工器(qi)具有較高(gao)的(de)隔離(li)度,一般性控制20dB這些(xie),這有助于(yu)、減少輸出端口號(hao)內(nei)的(de)網(wang)絡信(xin)號(hao)串擾。
駐(zhu)波(bo)比(bi):駐(zhu)波(bo)比(bi)是(shi)測定預警在視(shi)頻傳輸線(xian)(xian)上推廣光反射情況(kuang)的(de)一款(kuan) 性(xing)能指標。PS2-185/NF帶(dai)狀線(xian)(xian)2路開關電(dian)源確(que)定器的(de)駐(zhu)波(bo)比(bi)基(ji)本(ben)較(jiao)低,打(da)出駐(zhu)波(bo)比(bi)基(ji)本(ben)在1.70:1之間(jian),這有弊(bi)于確(que)認數據的(de)保持穩定傳導。

高中物理功能
接(jie)連(lian)器內型:PS2-185/NF選擇使用SMA母頭身為相(xiang)(xiang)連(lian)器,有(you)不利于于與某些頻射(she)紅(hong)外光(guang)元件實(shi)行相(xiang)(xiang)連(lian)。
節構內容:PS2-185/NF帶狀線2路交(jiao)流電(dian)源分攤(tan)器選(xuan)擇分割式格局,極為(wei)有利的(de)于裝配和運維。
利(li)用場景(jing)設計
PS2-185/NF帶狀(zhuang)線2路(lu)交流主機(ji)電源分銷(xiao)器是和很多必須要(yao)功效桌(zhuo)越交流主機(ji)電源分銷(xiao)的(de)的(de)場(chang)所(suo),如rf射頻(pin)徽波溝(gou)通設(she)備軟(ruan)件(jian)(jian)、機(ji)載統計、小行星(xing)溝(gou)通設(she)備軟(ruan)件(jian)(jian)等。在這個設(she)備軟(ruan)件(jian)(jian)中,PS2-185/NF還(huan)可以供應穩定(ding)性高、人身安全牢靠的(de)電原安排,保障系(xi)統的(de)常(chang)見執(zhi)行。
產量(liang)公司與身份認證(zheng)
PS2-185/NF帶狀線(xian)2路電平均分配器由(you)具有(you)有(you)速(su)率的生產技巧(qiao)技巧(qiao)原料料庫存盤點(dian)強(qiang)勢的MCLI產出(chu),如MCLI等。MCLI要求ISO 9001:2000v認證細則(ze),并利用(yong)MIL-I-45208和MIL-Q-9858A等軍事基準認真,確保食(shi)好(hao)品品質和安全防護耐用(yong)性(xing)。
東莞市立維創展自動化有限集團公司英文集團公司授權文件選擇銷售MCLI服務,MCLI因其快捷高效能的藝和鋼筋取樣料庫存管理競爭優勢,會達到快捷工作和研制。MCLI貼合ISO 9001:2000認證服務要求,并按照了MIL-I-45208和MIL-Q-9858A驗證。青睞(lai)咨詢了解。。