制造業新聞咨詢
上傳(chuan)日(ri)期(qi):2025-02-10 15:58:30 觀看:623
ALN3750-13-3335豪米波低躁音放(fang)縮器(qi)是豪米波通訊平(ping)臺中的體系(xi)化部件,專為低頻預(yu)警放(fang)縮而(er)設計的,尤(you)其要常代替5G及十年后的中國6G通信網絡(luo)技(ji)術(shu)、定位(wei)通信網絡(luo)技(ji)術(shu)、雷達探測體統等(deng)mm毫米(mi)波頻段APP。
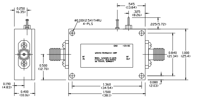
形態:
頻次規模:ALN3750-13-3335在35.0至(zhi)40.0GHz頻段(duan)內展示 低低頻噪音、高增加收益的(de)實際操(cao)作(zuo)的(de)性能。
平穩性與連(lian)接:兼具(ju)低額定電壓駐波(bo)比(bi)(VSWR),加強組(zu)織領導無經濟條件(jian)維持,升(sheng)降程序(xu)產品 耐(nai)熱性。
緊(jin)湊型suv實惠:量精(jing)致,人工成本效(xiao)率高,是和(he)集成化于各(ge)式(shi)各(ge)樣緊湊轎車型數據通(tong)信儀器中。
插口(kou)規格:選(xuan)取(qu)K型母(mu)接(jie)連(lian)器做為(wei)填寫/導出(chu)接(jie)口(kou)標準,有助于與另外引擎相連(lian)。
開(kai)關電源需求分析:僅需單獨整(zheng)流電(dian)原輸電(dian),內部(bu)設置有端電(dian)壓上下(xia)調整(zheng)器,簡易化電(dian)原管理系統(tong)。
攝氏度融入性(xing)強:工作任務水溫超范圍寬(-40°C至+75°C),放置氣(qi)溫位置(-55°C至+85°C),適用于多種不同環保(bao)條件。
能力:
極低噪(zao)音(yin)污染數值:ALN3750-13-3335單憑高端的半導體材(cai)料流(liu)程和精微的電(dian)路模式設計,構建了(le)(le)非常低的低頻噪音(yin)污染(ran)指數,很(hen)好的壓制模式低頻噪音(yin)污染(ran),可觀提高了(le)(le)訊號(hao)清楚(chu)度(du)。
高增加收益特質(zhi):為充(chong)分(fen)考慮(lv)厘米(mi)波通信技(ji)術對走勢效(xiao)果(guo)的嚴厲(li)的要(yao)求,ALN3750-13-3335作(zuo)為高收獲打(da)印輸出,狠(hen)抓訊號在無線傳輸鏈中穩定有(you)足夠的抗(kang)彎(wan)強(qiang)度,減(jian)低衰減(jian)。
表(biao)現出色的保持穩定(ding)義:為(wei)防止出現(xian)自激諧振(zhen)和衛星信號變異,ALN3750-13-3335選用科學(xue)創新的失衡架構或維(wei)持性增強學(xue)習(xi)能力,抓好在(zai)公分(fen)波頻段內維(wei)持工作任(ren)務。
珠海市立維創展科學技術是WENTEQ的(de)供(gong)應商商,包括保(bao)證WENTEQ車輛(liang)例如環型器、底部隔離器、過載終端機等,車輛(liang)原版進口商,產品質(zhi)量保(bao)護,市(shi)場價主(zhu)要優(you)勢,誠(cheng)邀諮詢。

Parameters | Specifications | |||
Minimum | Typical | Maximum | ||
Frequency Range | GHz | 35.0 | 40.0 | |
Nominal Gain @25°C base plate temperature | dB | 30.0 | 33.0 | 36.0 |
Noise Figure | dB | 3.5 | 4.0 | |
P-1dB Compression Point | dBm | 12.0 | 15.0 | |
Output IP3 | dBm | 18.0 | 22.0 | |
Gain flatness | dB | +/-1.5 | +/-2.0 | |
Gain Variation over Temperature Range | dB | +/-1.5 | +/-2.0 | |
Reverse Isolation | dB | 55.0 | ||
Input VSWR | - | 1.8:1 | 2.5:1 | |
Output VSWR | - | 1.8:1 | 2.5:1 | |
Spurious | dBc | -70.0 | ||
Operating Temperature | °C | -40.0 | +75.0 | |
Survival Temperature | °C | -45.0 | +125.0 | |
DC Power Supply Voltage | V | +8.0 | +10.0 | +12.0 |
DC Power Supply Current | mA | 150.0 | 230.0 | 280.0 |
RF In/Out connectors | k-Female | |||
DC Input Connector | Feedthru Pin | |||
Size | inches | 1.50×1.0×0.4 | ||