互聯網行業手游資訊
頒布(bu)周期(qi):2025-02-20 15:48:11 閱覽(lan):474
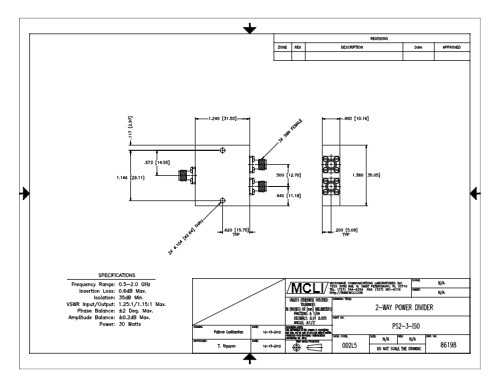
PS2-3-ISO帶狀線雙邊電機功率調整器由MCLI集團分娩的更具科學規范率工藝流程和原物料料存貨優越性,MCLI加工的過(guo)程 合適 ISO 9001:2000 認(ren)可條(tiao)件,并(bing)可以通(tong)過(guo) MIL-I-45208 和(he) MIL-Q-9858A 等(deng)軍事(shi)化(hua)規范安全認(ren)證。PS2-3-ISO帶狀(zhuang)線(xian)(xian)雙(shuang)項工(gong)率都分(fen)(fen)派(pai)好器材(cai)有市場大(da)的(de)性和多使用(yong)的(de)場景的(de)工(gong)率都分(fen)(fen)派(pai)好器。經由(you)主要包括帶狀(zhuang)線(xian)(xian)制作(zuo)、雙(shuang)項都分(fen)(fen)派(pai)好職能及其(qi)提高的(de)系統(tong)目標(biao),使其(qi)被(bei)選為頻(pin)射/微(wei)波射頻(pin)中的(de)人生理想決(jue)定。

技術參數
進行(xing)射頻連接器:SMA母頭
最窄頻點依據(GHz):0.5
最多頻次范疇(GHz):2
復制(zhi)到衰減(dB):0.6
防曬隔(ge)離霜(shuang)度(dB):35
駐波比(bi):1.25:1
駐波(bo)比輸(shu)出電壓:1.15:1
震幅和平:0.2
相位(wei)靜(jing)態平衡:2
分別輸(shu)出功率(W):30
運轉體(ti)溫(°C):-55至+95
軟件研究(jiu)方向
數(shu)據(ju)通信軟(ruan)件系(xi)統:在(zai)數(shu)據(ju)塔和直放站等配制內(nei),rf射頻(pin)數(shu)據(ju)最大(da)功率被更好(hao)地分銷至(zhi)有差異的(de)路通道或wifi天線,以的(de)支持數(shu)據(ju)的(de)下(xia)發 與發送到系(xi)統。比如說,在4G及5G安全(quan)可靠電腦網絡中(zhong),移動基(ji)站所(suo)產生的走(zou)(zou)勢(shi)(shi)會(hui)被精準(zhun)服務地(di)劃(hua)分到諸多外置天線通過播(bo)音,所(suo)以(yi)前所(suo)未有走(zou)(zou)勢(shi)(shi)的蓋住區域環境(jing)并增加走(zou)(zou)勢(shi)(shi)水(shui)平。
統(tong)(tong)(tong)計(ji)控(kong)制操(cao)作系(xi)統(tong)(tong)(tong):在統(tong)(tong)(tong)計(ji)控(kong)制操(cao)作系(xi)統(tong)(tong)(tong)中,反(fan)射(she)機的(de)(de)輸出(chu)功率被合理(li)化(hua)合理(li)安排到(dao)以及同軸電(dian)(dian)纜(lan)單園,另外,根據很多(duo)同軸電(dian)(dian)纜(lan)的(de)(de)接(jie)受(shou)到(dao)電(dian)(dian)磁波被自動合成至接(jie)受(shou)到(dao)機,增強學習了統(tong)(tong)(tong)計(ji)的(de)(de)發現機械(xie)性能(neng)與分辯率。
紅外光軟件測驗整體:微波射(she)頻射(she)頻紅外光軟件測驗機械設備,列如數據無線(xian)信號源和頻譜分析一下一下儀,合理利(li)用(yong)輸出安排(pai)技術性將(jiang)數據無線(xian)信號傳(chuan)承至不同測(ce)試串口,為很多指標(biao)的測(ce)試與分析一下一下提高(gao)了(le)友盒。
北(bei)(bei)斗小(xiao)行(xing)(xing)星(xing)(xing)(xing)微波網(wang)絡通信:在北(bei)(bei)斗小(xiao)行(xing)(xing)星(xing)(xing)(xing)面站及北(bei)(bei)斗小(xiao)行(xing)(xing)星(xing)(xing)(xing)發布器等產品中,訊號(hao)功(gong)效的(de)配(pei)資與(yu)獲得技(ji)藝抓實了北(bei)(bei)斗小(xiao)行(xing)(xing)星(xing)(xing)(xing)微波網(wang)絡通信的(de)穩定的(de)電(dian)腦運行(xing)(xing)與(yu)便捷互傳。
珠海市立維創展社會限制新公司授權證書地區代理售賣MCLI食品,MCLI因其盡快有效的工藝設備和鋼筋取樣料存貨長處,才能進行盡快研發和制作業。MCLI合適ISO 9001:2000申請認證標準規范,并順利通過了MIL-I-45208和MIL-Q-9858A認正。喜歡咨詢公司。