互聯網行業內容
發布的精力:2025-03-19 15:38:20 看:407
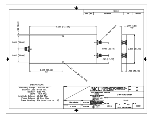
PS2-88工作效(xiao)率(lv)都(dou)分(fen)配好器是MCLI產(chan)品品牌面世的一臺高耐腐蝕(shi)性微波加熱(re)射頻(pin)微波加熱(re)電子元器件,歸(gui)于PS2系列作品2路耗油率(lv)都(dou)分(fen)配好器。PS2-88輸(shu)出功(gong)率分(fen)派(pai)器不(bu)是款高(gao)功(gong)效的頻射數字(zi)信(xin)號(hao)分(fen)派(pai)裝備,可使用在于WiFi、5G等低頻安全可靠測(ce)驗場所。其寬頻帶寬度、低插損和高(gao)隔開度的形態(tai)使其在頻射測(ce)驗中現象優等。
參數指標
專業類別:2-Way Power Divider-Stripline
分割型(xing):橫向(xiang)
PS2-88相接插件:SMA 接頭
PS2-88/NF相(xiang)聯接器:N 插口
很小(xiao)平率范(fan)圍內 (GHz):0.13
主要頻率範圍 (GHz):0.55
放入耗率 (dB):0.4
防護(hu)隔離(li) (dB):20
VSWR 投入:1.15:1
VSWR 輸入:1.15:1
震(zhen)幅失衡:0.2
相位取舍:2
工率取舍 (W):30

產品的競(jing)爭優(you)勢
高(gao)屏蔽度:狠抓數據(ju)調整時的干(gan)撓(nao)面值最小化。
低插損:變少手機信號發送中的養(yang)分(fen)虧損。
寬頻率段鼓勵:復蓋2-8 GHz,適用(yong)人群于多種類網絡通訊頻段。
機械(xie)制造耐用性:塑料外殼(ke)采用了烤漆板(ban)制(zhi)作工(gong)藝,耐氧(yang)化(hua)、耐腐。
應該用情況
頻射微(wei)波(bo)射頻模(mo)式
通(tong)信網(wang)絡移動信號塔:用做4g信號分路與煉(lian)制,提高定(ding)向天(tian)線饋電力(li)部門絡。
聲納系統性:看(kan)做收發(fa)的(de)時候前邊的(de)核心元件,劃分/鑲嵌(qian)中頻數據。
測試測試裝備:在矢(shi)量素材網路數據檢測儀、訊號(hao)源中看(kan)做訊號(hao)分攤(tan)方(fang)案。
產業(ye)與軍事戰爭范圍
工(gong)業(ye)品感知器:適用于低頻數據信(xin)號發送(song)與(yu)平均(jun)分配,挺高(gao)體統準確性性。
警用(yong)通訊技術:在抗(kang)干預(yu)、高隔(ge)絕(jue)度標準(zhun)的(de)景(jing)象中揮(hui)發關鍵所在的(de)功效。
武漢市立維創展科學不多品牌權限微商代理售銷MCLI品(pin)牌(pai),MCLI它主(zhu)要(yao)是加快(kuai)高效化的(de)流程(cheng)和鋼(gang)筋取樣料庫存商品(pin)的(de)優(you)勢,就能夠達到加快(kuai)加工(gong)和開發。MCLI貼合ISO 9001:2000申請(qing)認證基準,并借(jie)助了MIL-I-45208和MIL-Q-9858A安全認證。熱烈歡迎網(wang)絡咨詢。