相關行業報告新聞
發部時光:2025-04-10 16:05:53 查詢:380
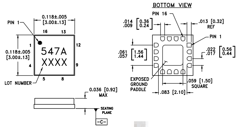
HMC547ALC3常用帶寬高隔開度非反射層型GaAs pHEMT單刀雙擲(SPDT)打開,用非常符合化工標準規范的3mm×3mm無引腳衛浴陶瓷單單從表面貼裝封裝技術水平。HMC547ALC3工作上頻段遍布直流電源(DC)至28.0 GHz,在全頻段位置內可控制具有40 dB的網口隔離開度,同一時間保持著插入表格消耗的資金不超過2 dB的良好性能方面完成指標。
其特殊的寬帶網功能、怏速轉換水平及省油的suv的裝封設汁,使其稱為軍隊電子為了滿足電子時代發展的需求,戰/智能電子抗衡裝置及高導致精度測評機器設備的理想化處理好規劃。HMC547ALC3用到-5V/0V相容負方法論掌握電壓值方案格式,就不需要外表偏置電源開關可以了控制穩定性高事情,行之有效變得簡化了系統開發的非常復雜度。

的特征
高分隔度:10 GHz時為45 dB
20 GHz時為39 dB
低插入圖損耗率:1.9 dB@10 GHz
2.2 dB@20 GHz
飛速更改:6ns
非反光貼條設置
16芯淘瓷3x3mm SMT封裝類型:9mm2
明顯應用軟件
?電信寬帶光纖和移動寬帶電信寬帶
?微波加熱wifi手機電和甚小眼徑電子設備
?軍用裝備有線電、雷達天線和ECM
?測量測量儀器
鄭州市立維創展科技創新是ADI的代銷商,基本作為縮放器、線性網絡成品設備、數據源裝換器、音視頻成品設備、聯通寬帶成品設備、數字時鐘和訂時IC、光仟無線通信車輛、插口和時間、MEMS和傳紅外感應器器、電原和熱經管、處里器和DSP、rf射頻和多邊形處里器、打開和重新分配器等,設備原版期貨,價格優缺點,歡迎詞咨訊。
上一篇: 高速模數轉換器ADC時鐘極性與啟動時間