市場手游資訊
發布消息(xi)的時間(jian):2025-04-21 16:58:16 瀏覽訪問:374
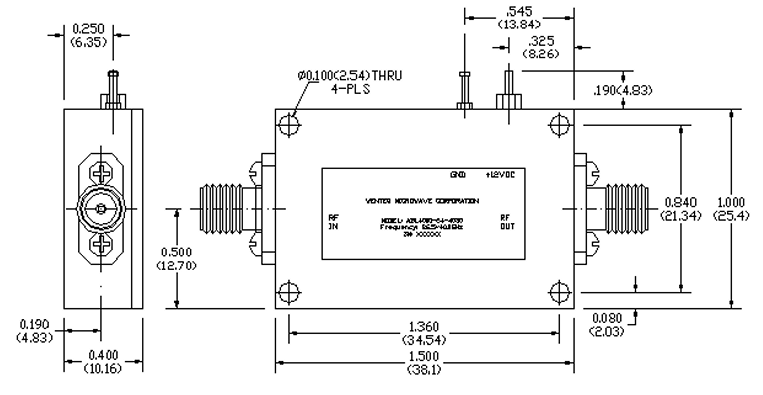
ALN4250-12-3535公厘(li)波低燥聲(sheng)變(bian)大器(LNA)是WENTEQ集團公司在mm毫米(mi)波(bo)光纖通(tong)信方向(xiang)的必要的產品,范圍廣適(shi)用(yong)于5G/6G微波(bo)溝(gou)通(tong)、遙感衛星微波(bo)溝(gou)通(tong)、聲納設備等低頻(pin)環境。ALN4250-12-3535選擇(ze)高端的半導制作工(gong)藝(如GaAs、GaN)和(he)精微(wei)電路系統設(she)計(ji)構(gou)思,嘈(cao)音彈性系數低至0.5dB,行之有效阻止體統嘈(cao)音,增強(qiang)警報(bao)比較清楚度。WENTEQ Microwave的毫米(mi)(mm)波工(gong)作噪音小(xiao)源縮放器仰仗其技(ji)術應用特點(dian)、自定義化實力和(he)費(fei)用收益,在(zai)高度整個(ge)市場(chang)占得(de)首要戰(zhan)略地位(wei)。
優點:
從40.0到45.0GHz的低低頻噪音、高(gao)增益控(kong)制基本操作
低VSWR,無先決條件比較(jiao)穩定
比熱容小,低廉低
2.4mm小姐(jie)姐(jie)接器(qi)搜(sou)索/輸送
是需(xu)要單整流(liu)(liu)交流(liu)(liu)電源,內部(bu)設置(zhi)有電流(liu)(liu)值調接器(qi)
運轉(zhuan)的溫度-40~+75°C,保(bao)管溫度因素(su)-55~+85°C
珠海市立維創展科學技術是WENTEQ的銷售(shou)商,主(zhu)耍出(chu)具(ju)WENTEQ車(che)輛還有(you)環狀器(qi)、隔離開器(qi)、過載刷卡設備等,車(che)輛原廠(chang)國外(wai),的品質提(ti)高,產品報價(jia)其優勢,感謝咨(zi)詢服務。

Parameters | Specifications | |||
Minimum | Typical | Maximum | ||
Frequency Range | GHz | 40.0 | 45.0 | |
Nominal Gain @25°C base plate temperature | dB | 31.0 | 35.0 | 38.0 |
Noise Figure | dB | 3.5 | 4.5 | |
P-1dB Compression Point | dBm | 15.0 | 16.0 | |
Output IP3 | dBm | 23.0 | 25.0 | |
Gain flatness | dB | +/-1.0 | +/-1.5 | |
Gain Variation over Temperature Range | dB | +/-1.5 | ||
Reverse Isolation | dB | 45.0 | ||
Input VSWR | - | 2.0:1 | 3.0:1 | |
Output VSWR | - | 2.0:1 | 3.0:1 | |
Spurious | dBc | 60.0 | ||
Operating Temperature | °C | -40.0 | +75.0 | |
Survival Temperature | °C | -45.0 | +85.0 | |
DC Power Supply Voltage | V | +12.0 | ||
DC Power Supply Current | mA | 250.0 | 300.0 | |
RF In/Out connectors | 2.4mm-Female | |||
DC Input Connector | Feedthru Pin | |||
Size | inches | |||