企業介紹
上(shang)架期限:2025-04-28 16:35:21 手機(ji)瀏(liu)覽:437
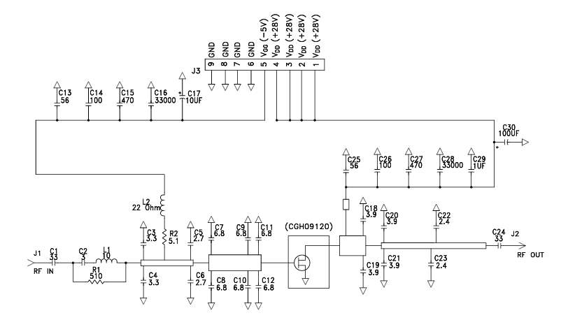
CGH09120F有的是款(kuan)由 Wolfspeed(原(yuan)CREE科銳)新公(gong)司研發的高網上(shang)遷址率硫(liu)化鋅管(HEMT),所采用(yong)氮(dan)化鎵(GaN)技(ji)術應用(yong),具備(bei)便(bian)捷率、高增益值和網絡帶(dai)寬工作能力,搭(da)載網絡帶寬(kuan)網絡信號進行處理,特別(bie)更適合(he)須要情況頻次(ci)調整的體統。

具體特征參數
概率范疇:UHF 至 2.5 GHz。
工作效(xiao)率轉換(huan):120 瓦。
增益(yi)值(zhi):21 音(yin)貝。
辦(ban)公相電壓(ya):28 V。
二極(ji)管封裝(zhuang)形態:工(gong)業陶瓷/金屬制法蘭片(pian)封(feng)口。
學習效率:在(zai) 20 W PAVE 限期比率為 35%。
應(ying)用軟件勝機:鼓勵超高羅馬數字預模糊(DPD)校核(he)。
技能對(dui)比性與的優勢
主要參數 | CGH09120F | 硅(gui)基LDMOS | 微信(xin)備注 |
速率最(zui)大值 | 2.5 GHz | 常(chang)常(chang)<1 GHz | GaN在高(gao)頻下能力更快 |
工作功率密(mi)度(du)單位 | 4.3 W/mm2 | 約1 W/mm2 | 滿足緊身型(xing)規劃 |
效果(PAVE) | 35% | 20%~25% | 重要減低系統性功(gong)能消耗 |
導熱系數 | 1.2°C/W | 2.5°C/W | 最好的導熱實力 |
應用領域
手(shou)機無(wu)線(xian)(xian)無(wu)線(xian)(xian)通信(xin)移動(dong)基站
有所作(zuo)為(wei) LTE、WCDMA 或 MC-GSM 移(yi)動數(shu)據信息塔(ta)熱學習效率(lv)變小(xiao)器(qi)的(de)核(he)心區元器(qi),提供數(shu)據高效、性價比最高率(lv)、高線型的(de)微波射頻數(shu)據信息變小(xiao),下降(jiang)移(yi)動數(shu)據信息塔(ta)萬元產值能(neng)耗與(yu)推廣資金。
適(shi)于(yu)于(yu)多(duo)載波配位聚(ju)合(CA)情景,借助 DPD 技藝(yi)加快多(duo)載波的信號(hao)的非(fei)線性度。
聲納與自(zi)動化戰系統
在汽車雷(lei)達(da)釋(shi)放出機中達(da)到(dao)網絡帶寬數據(ju)信號的有效圖像放大,認可100判定率(lv)顯像與最終目標試探(tan)。
適(shi)合于電子為了滿足電子時代發展的(de)需求(qiu),戰中(zhong)的(de)擾亂(luan)機,經由高功效、寬(kuan)(kuan)帶網寬(kuan)(kuan)基(ji)本特征確保可行的(de)電磁波反打。
衛星信號通訊(xun)技術與微波射頻傳回
在 Ka 頻段(duan)或 Ku 頻段(duan)北斗衛星電力末端中,身為功效拖動電機功率器件,供給穩固的4g信(xin)號增益值與打印輸(shu)出(chu)功效。
應應用于(yu)徽(hui)波發送(song)路由協議,適(shi)用長(chang)遠距、高出水量的信(xin)息(xi)傳輸數據。
上海市立維創展科技開發是CREE的(de)經售(shou)商,CREE公司的(de)產(chan)品(pin)涵蓋:LED存儲芯片、照明設(she)計LED、背(bei)光LED、交(jiao)流電(dian)源電(dian)源開關系統設(she)計、微(wei)波射頻機器(qi)用LED和(he)遠程(cheng)電(dian)裝置(zhi)。中鐵二院根據(ju)其優裕的(de)提供產(chan)品(pin)線(xian),成(cheng)為太久(jiu)的(de)庫存管理以要(yao)求我國的(de)銷售(shou)市場(chang)的(de)需要(yao)。迎接咨詢了解(jie)。。