制造行業最新資訊
發布新聞準確時間:2025-06-05 16:46:19 閱覽:304
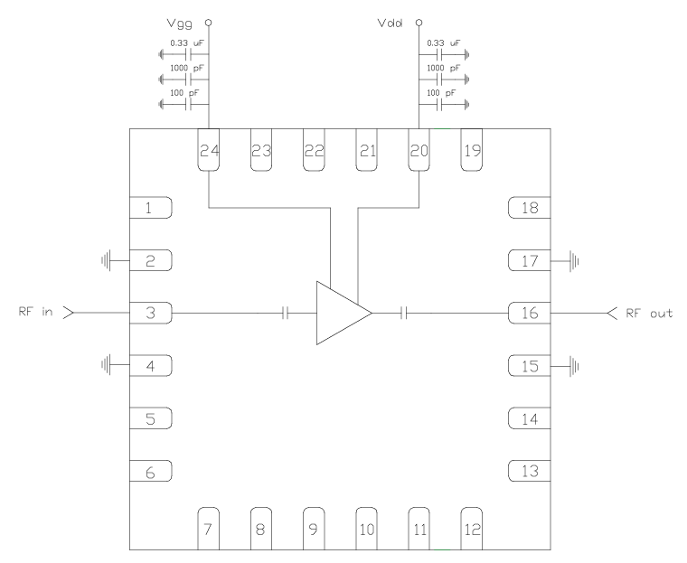
CMD229P4是(shi)一種款由Custom MMIC產出的寬(kuan)帶(dai)網砷化鎵(GaAs)單面徽波集合電路原理(li)(MMIC)工作噪(zao)音(yin)小源變(bian)大器(LNA),專(zhuan)為微波射頻(pin)(RF)用設汁,享(xiang)有出眾的環境噪(zao)聲能力和增益控制性能指標。CMD229P4進行無引腳 4x4 mm 塑(su)料材質外(wai)表(biao)面貼裝(SMT)封(feng)裝類型。歸功(gong)于其(qi)優(you)良(liang)的性和超小(xiao)巧性封裝(zhuang)形式,變成軍用、航空航天及高端定(ding)制數據通(tong)信技術應(ying)用的非常理想使用。
技巧參數設(she)置
頻率條件:5 GHz 至(zhi) 11 GHz(C 光波和 X 中波段)。
增加收(shou)益:26 dB。
嘈音(yin)指(zhi)數:1.5 dB。
模擬輸(shu)出(chu) 1 dB 減小點(P1dB):+13 dBm。
三(san)階交調截點(OIP3):24 dBm。
呈(cheng)現飽和狀態輸入馬力(Psat):約 +15 dBm。
辦(ban)公端(duan)電壓:3 V 至 5 V。
事情功率:45 mA。
二極(ji)管封裝(zhuang)類(lei)形(xing):4x4 mm 橡膠 QFN 封裝(zhuang)。
電(dian)位差配對(dui):50 歐(ou)姆篩選的設計,沒有冗余直流電(dian)堵(du)賽和頻射端口設置篩選

使用(yong)消(xiao)費場景(jing)
l 中國國防與航空:代替電子器(qi)材戰(EW)、C頻譜聲(sheng)納、X波長雷達(da)天線等,滿意高準確性、低噪(zao)音風機源需要(yao)。
l 衛星影像通信技術(shu):適于(yu)于(yu)的空間遙感衛星電力系統性,可以高頻率(lv)段數(shu)據互傳。
l 測試(shi)方法與預估(gu):代替低頻試驗(yan)機,為(wei)了確保衛星信號校(xiao)正的(de)精準的(de)性。
l 相控陣系統(tong):作相控(kong)陣預警雷達或(huo)通信技術平臺的(de)(de)關鍵所在零部件(jian),出(chu)具高(gao)收獲、低噪音(yin)分(fen)貝的(de)(de)信號燈(deng)調小。
Custom MMIC創辦于2006年,是家無晶圓rf射頻和微波通信MMIC設計制作廠家,CUSTOM MMIC幫企業主使用的相同型中最佳的MMICSEO業主的微波射頻的信號鏈。CUSTOM MMIC是完正的ISO認真設汁師和相似型好一點MMICs銷售商。CUSTOM MMIC具備不斷地上升的高使用性能頻射/徽波MMIC設備線。
QORVO是荷蘭(lan)知名的的微波(bo)通信(xin)與公厘波(bo)一流造成商,為(wei)全(quan)游戲世界(jie)移(yi)動用戶可以提(ti)供極限金(jin)橋銅業跨接線的截面(mian)積大(da)小的GaN和GaAs物料(liao),Qorvo在2020年做好Custom MMIC公司收購。
蘇州市立維創展(zhan)科(ke)枝不(bu)足子(zi)公司加(jia)盟(meng)代理(li)權加(jia)盟(meng)代理(li)消售Custom MMIC企業產品生產線,要(yao)是有(you)消費需(xu)求祝賀(he)聯系(xi)大家!!!