領域咨詢
上線時段(duan):2025-06-11 16:31:27 瀏覽記錄:375
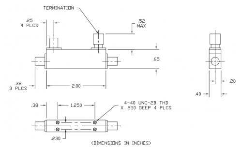
KRYTAR合體器101040013/101040013K加強了應用場景帶狀線定制的決定,其適(shi)用(yong)唯一化、緊密便攜式(shi)封口(kou),在1.0至40.0GHz寬(kuan)度(du)頻上班頻段具備條件市(shi)場大的交叉(cha)交叉(cha)耦合能(neng)力。能(neng)力上,標稱交叉(cha)交叉(cha)耦合(相比(bi)較(jiao)于(yu)效果(guo))13dB且價格(ge)波動±1.0dB,規(gui)律機(ji)(ji)靈度(du)±1.2dB;1 - 20GHz添(tian)加不足(含藕合電機(ji)(ji)功率)<1.1dB,20 - 40GHz<1.8dB;1 - 20GHz朝向性>14dB,20 - 40GHz>10dB;1 - 20GHz最底VSWR(多種端(duan)口(kou)處)1.5,20 - 40GHz為(wei)1.7;額(e)定效率進入效率標準(zhun)差20W、很高3kW。配有這個產(chan)品(pin)質(zhi)量(liang)標準(zhun)化2.4mm母頭銜(xian)接器,打包封裝(zhuang)規(gui)格(ge)為(wei)2.0×0.40×0.65寸大,重1.3oz,操作使用(yong)氣溫-54°至+85°C,是寬(kuan)度(du)帶(dai)高耐磨(mo)性(xing)的最佳選擇。

標準
評均(jun)頻點(GHz):1
較高規律(GHz):40
標(biao)稱連(lian)軸器:13 ±1.0
平率機靈度(dB):±1.20
放進去材(cai)料耗(hao)費(dB Max):1-20 GHz,1.1;20-40 GHz,1.80
方向上性(dB Min):1-20 GHz,14;20-40 GHz,10
VSWR(高(gao)達值):1-20 GHz,1.5;20-40 GHz,1.70
額定公率(W):20
101040013 原則(ze)對接器(母頭):2.4 mm
101040013K原則連(lian)接方式(shi)器(qi)(母(mu)頭):2.92 mm
山東市立維創展科技公司授權許可POS機代理KRYTAR食品,大部分(fen)新產品型(xing)號配(pei)備外盤。食品正品進口清關,產品質量(liang)確定(ding),青睞咨(zi)詢服務。