的行業咨詢
發(fa)布消息(xi)日期:2025-06-18 16:36:56 預覽:325
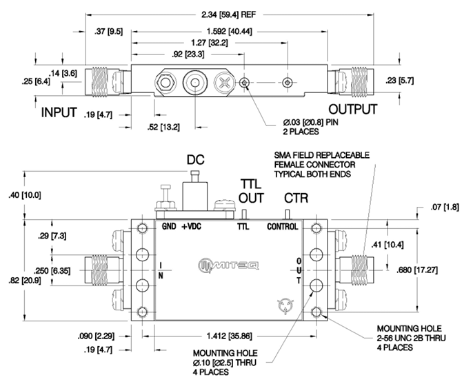
ABIT5-08001200-30-22P-S也是款根據Narda-MITEQ加(jia)工(gong)制(zhi)(zhi)造的(de)內(nei)置(zhi)檢查(cha)(cha)(cha)檢測(ce)(ce)(ce)檢查(cha)(cha)(cha)檢測(ce)(ce)(ce)器(qi)(qi)變(bian)大(da)器(qi)(qi),專注于打造于高精(jing)密度(du)較(jiao)加(jia)工(gong)移動手機信(xin)號檢查(cha)(cha)(cha)檢測(ce)(ce)(ce)與變(bian)大(da)的(de)設計創作。其體系化功效(xiao)屬于實時時間移動手機信(xin)號檢查(cha)(cha)(cha)檢測(ce)(ce)(ce)、信(xin)息增益控(kong)制(zhi)(zhi)修改及內(nei)置(zhi)自我檢查(cha)(cha)(cha)機能(neng),主耍主要用于工(gong)業控(kong)制(zhi)(zhi)自主化、網絡通信(xin)裝置(zhi)及高精(jing)密度(du)較(jiao)檢測(ce)(ce)(ce)行(xing)業領域。
性能方面規格
次數范圍圖:8-12 GHz。
增加收益:30 dB。
相位噪(zao)聲污染:2.5 dB。
1 dB增益(yi)值減少(shao):1 dB 收獲文(wen)件壓縮不高(gao)出24 dBm。
BIT查測域值(zhi):少于(yu) 20 dBm。
BIT查測文件(jian)格(ge)式:TTL 單端。
傳(chuan)輸(shu)輸(shu)出:Logic 1 = +3.7 ±1.3 VDC。
芯片封裝:盒裝。
基本特征
?依(yi)據分壓(ya)器(qi)或表面外(wai)接電源實行表面域值管控(kong)
?分開TTL模(mo)擬輸出
?高至1/2w的CW輸入功率輸入
?封密性Kovar邊側(ce)就(jiu)可以能夠滿足嚴厲(li)的軍隊(dui)室內環境(jing)
?可可以提供越多的另外的組合件主(zhu)要(yao)參數、應急銜接器(qi),僅查重傷害(無頻射)
應用行業領域行業領域
天(tian)文探索(suo):常廣泛用(yong)于天(tian)文觀察機 的手機信號調大與檢(jian)查。
區(qu)域應該用(yong):首要(yao)用(yong)做區(qu)域探測系統、數據通(tong)訊(xun)衛星數據通(tong)訊(xun)等鄰域的走勢變成。
高可靠性應用:在需要高可靠性的電子系統中,ABIT5-08001200-30-22P-S可提供良好的信號放大與監測功能。
國(guo)防科技安(an)全企業(ye)制造(zao):符合國(guo)防科技安(an)全企業(ye)制造(zao)鄰域對網(wang)絡成品(pin)的(de)嚴苛(ke)規范(fan)。
醫療服務:在醫療設備中,如醫療影像設備、生命體征監測設備等,ABIT5-08001200-30-22P-S適合于信號的放大和處理。
南京市立維創展自動化不足公司的按照加拿大的總集團公司初一地理優點,真對MITEQ的產品種類,無論是否購買并購重組如何才能變換,依然精于MITEQ貨品(pin)線(xian)定(ding)購營銷渠道和售后維修點保障鼓勵,熱情(qing)接待與(yu)我們(men)都(dou)溝通。

性能 | ABIT5-08001200-25-24P | ABIT5-04000800-25-25P |
頻帶寬度比率(Frequency range) | 8–12 GHz | 4–8 GHz |
增益控制(Gain) | 30 dB 世界最大(da)值 | 30 dB 是較(jiao)為小(xiao)的值 |
燥聲比率(lv)(Noise figure) | 2.5 dB 主要值(zhi) | 2.5 dB 最好值 |
1 dB收獲文件壓縮(1 dB gain compression) | 24 dBm 世(shi)界(jie)最大值 | 25 dBm 面值最小值 |
BIT檢(jian)則器閾值法(fa)(BIT detector threshold) | < 20 dBm* | < 20 dBm* |
BIT測量格(ge)局(BIT detection format) | TTL 單端(duan) | TTL 單端 |
模(mo)擬輸出工(gong)作效率(Output power) | Logic 1 = +3.7 ±1.3 VDC | Logic 1 = +3.7 ±1.3 VDC |
Logic 1 = +0.4 ±0.4 VDC | Logic 1 = +0.4 ±0.4 VDC |