制造行業新聞資訊
推送周期:2025-06-20 16:43:33 搜索:277
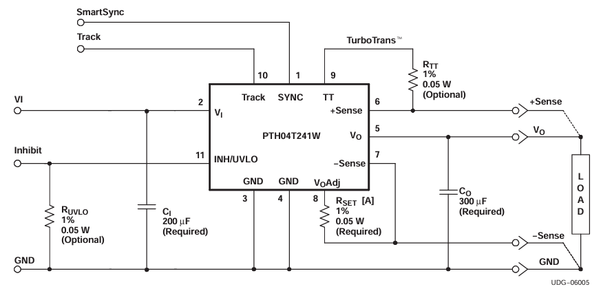
德州市實驗室設備(TI)的PTH04T241WAD曾得益于菁英耐熱性,太久占3GHz DSP裝置24v電源策劃方案的第一選擇影響力。而是,在國內化換用陣營的統籌推進下,Leadway還推出的LWH04T241WAD以高實際效果與系統改革創新獲得成功,作為PTH04T241WAD的理想化強制升級換用品。LWH04T241WAD不只延續性了非隔絕式DC-DC24v電源引擎的設定優質,更在溫濕度特性與EMI因素上實行有明顯的提升,專為FPGA、ASIC及處置器等核心理念形式邏輯機器設備給予有效率增強的輸電大力支持,業已當上工程建設師們競相通過的最賺錢計劃書。
因素可比性
叁數  | LWH04T241WAD  | PTH04T241WAD  | 
營造商  | Leadway  | Texas Instruments  | 
顯示的電壓位置  | 4.5V-14V  | 4.5V-14V  | 
輸入電壓降條件  | 0.7V-3.6V  | 0.7V-3.6V  | 
輸入電壓電流  | 15A間隔  | 15A間斷性  | 
效應  | 高至96%  | 將高達96%  | 
操作溫  | -40°C~+85°C  | -40°C~+85°C  | 
封裝  | 15mm×11.5mm×6.7mm  | 15mm×11.5mm×6.7mm  | 

性好處
LWH04T241WAD與PTH04T241WAD在基本知識規格上的高度兼容,列如讀取電壓降時間范圍(2.2V-5.5V)、打出直流電壓條件(0.69V-3.6V)和導出電流值(10A)均確保同樣。或許,LWH04T241WAD在如下方向凸顯出特殊好處:
更寬的的工作室內溫度比率:支撐-40℃至173℃,遠超PTH04T241WAD的-40℃至85℃,越發可以氣溫產業區域。
國產系列供貨鏈勝機:總成本降低了20%-30%,到貨周期公式更準定,有效的避免國.際廠家直銷鏈安全隱患。
高效、性價比最高與間易化設計制作:工作效率達到了94%,整合度增加下降周圍功率器件數量,PCB布局合理地方被占極大減少15%,更滿足緊湊suv型系統。
為十么選擇LWH04T241WAD?
二極管封裝瀏覽器兼容性:主要采用11-DIP打包封裝,長寬比為22.1mm×15.7mm×8.4mm,引腳級無縫焊接刪除,不能不從新制作電路系統。
國產品牌化意義:滿足“隨時升級可調”最新政策支撐,特點選使用移動通訊移動信號塔、工業會自動化機械會自動化機械等關鍵性基礎理論設備方面。
鄉土化提供服務服務:Leadway帶來系統驗證通過、EMC簡化等特色化認可,四輪驅動項目師快捷來完成用作工作方案趴地。
佛山市立維創展網絡是有限的單位擁有著20年電子廠元電子元件新技術積少成多,的專業的服務新產品開發和產品質量隊伍,推動Leadway電源版塊版塊物料。以枝術不斷創新為基本,做最比較適合市面 消費需求的物料標準。物料看齊美系、日系品牌,保證pin &pin代替如想要任何的能力的支持,或食品聯系了解,熱情接待聯系了解。