制造業信息
推出時期:2025-07-08 16:43:31 搜索:111
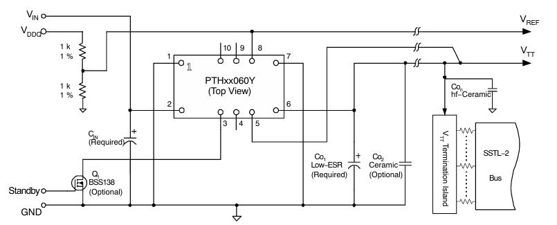
在復雜性數字式軟件系統電源開關制定中,TI(南京測量儀器)的PTH05060YAH包塊因保持穩定量分析適用性DDR/QDR內存空間串口通信終端用戶送電設備而廣泛性的使用,但如今國產a交流電源能力的發展進步,Leadway發布的LWH05060YAH可無縫焊接代換原型號,兩者之間在電子商務的性能、封裝尺寸規格及軟件應用業務領域上特別兼容,且傳統計劃書在的成本、供給鏈安全性和適于能力素質地方凸顯出有優越性。
參數指標相比
性能  | LWH05060YAH  | PTH05060YAH  | 
輸入電壓降條件 (V)  | 4.5~5.5  | 4.5~5.5  | 
輸入輸出直流電壓使用范圍 (V)  | 0.55 ~ 1.8  | 0.55 ~ 1.8  | 
輸出的電流量 (A)  | 10  | 10  | 
最大程度轉換最大功率 (W)  | 18  | 18  | 
運作溫差條件 (℃)  | -40 ~ 231  | -40 ~ 85  | 
能力 (%)  | 86  | 是最高的大約 91  | 
芯片封裝結構類型  | 10-DIP  | 10-DIP  | 
封裝類型面積 (mm)  | 25.4 x 15.7 x 8.9  | 25.4 x 15.7 x 8.9  | 
隔離霜電阻 (V)  | 基本為 1500V DC  | 常為 1500V DC  | 
保護的效果  | 過壓、欠壓、過流等  | 過壓、欠壓、過流等  | 

代替有用性
電力設備功能兼容
l 顯示/傳輸電壓電流、電壓電流、工作效率等重要性因素篩選,滿足了中頻繁 DC-DC 轉換成器、VRM(電流保持控制模塊)等場境消費需求。
l 輸出的相電壓調節器功能鍵(根據熱敏電阻放置)與 PTH05060YAH 共同,可用于比較靈活安裝。
料工費與生產鏈特色
l 價錢優勢可言:Leadway 作國產圖片銷售商,LWH05060YAH 單價少于國際企業品牌,成批購進代價優勢特別。
l 制造鏈不穩性:國廠實施方案縮減對進口的處理芯片的依賴關系,減少缺貨危害性,選采用長遠性工作工作方案。
利用范疇
二者均實用到幾處理器設計、DSP、微控器輸電、DDR/QDR 隨意調節器傳輸線POS機終端等不一樣,LWH05060YAH 在溫度因素適合特性(如 LWH05060WAH 室內溫度面積達 -40℃~116℃)和一級能效等級上成績最好質。
調試個人建議
l 一直充當:若原設置施用 PTH05060YAH,LWH05060YAH 可會直接更換,需不需要校準電源線路的設計或 PCB 空間布局。
l 特點升級系統:對熱效率比、溫暖滿足作用有越來越高要的畫面,強烈推薦抉擇LWH05060YAH 或其累似新產品(如 LWH05060WAH)。
l 資金明感投資項目:產的計劃可削減 BOM 制造費 20%~30%,適用人群于自定義化生產制造。
廣州 市立維創展高新科技有限的機構具有20年光電子元元件枝術1個,靠譜的產品的生產研發和品質微商團隊,贏得Leadway電原傳感器物料。以技術設備創新發展為中心,做最適股票市場要的物料規模。物料競品美系、歐美風格,建立pin &pin重命名如需用某些技術應用蘋果支持,或車輛在線顧問,歡迎辭在線顧問。
PTHXX060Y系統DC-DC互轉器的商品表單:
導入端電壓  | 元件編號規則  | 描寫  | 無鉛和完全符合RoHS條件  | 機制封裝形式  | 
3.3 V  | PTH03060YAH  | 技術通孔  | 是  | EUW  | 
PTH03060YAS  | 準則SMD  | 否  | EUY  | |
PTH03060YAZ  | 可供選擇SMD  | 是  | EUY  | |
5 V  | PTH05060YAH  | 水準通孔  | 是  | EUW  | 
PTH05060YAS  | 要求SMD  | 否  | EUY  | |
PTH05060YAZ  | 能選SMD  | 是  | EUY  | |
12 V  | PTH12060YAH  | 水平方向通孔  | 是  | EUW  | 
PTH12060YAS  | 細則SMD  | 否  | EUY  | |
PTH12060YAZ  | 必選SMD  | 是  | EUY  |