企業新聞資訊
更新(xin)時刻:2025-07-31 16:41:10 挑選:81
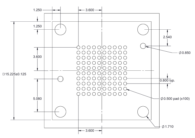
GT-BGA-2000是Ironwood Electronics創(chuang)立的(de)那款專(zhuan)業(ye)技術型GT Elastomer全系列(lie)高(gao)速度(du)BGA測式(shi)排插,光憑其(qi)比較好的(de)電氣開關效能和不靠譜(pu)聯系形態,堅持創(chuang)新驅(qu)動于(yu)半(ban)導(dao)體行(xing)業(ye)的(de)行(xing)業(ye)領域中嚴謹(jin)的(de)原形核驗、新一輪功(gong)能表測式(shi)各種(zhong)長準確時間比較老舊(jiu)化(hua)研究等管(guan)理(li)處使用的(de)行(xing)業(ye)領域。
大部分表現形式
- 裝(zhuang)封/長(chang)寬:隨(sui)便焊結(jie)到學(xue)習目標 PCB(需預(yu)開相(xiang)連接孔),無(wu)鉛無(wu)焊料(liao)按裝(zhuang)安(an)全使用,適用于 BGA 封口。
- 中頻功(gong)效:備選GT Elastomer活力(li)體互連技術水(shui)平,帶(dai)寬的配置(zhi)超過 94 GHz,數據耗(hao)損低(75 GHz 時≤-1 dB)。
- 機電完成指標
–自感:0.04–0.06 nH
–互感:0.003–0.024 nH
–互(hu)容:0.006–0.012 pF
–遇到電阻(zu)值:<30 mΩ
–單針功率(lv):5 A
–單針彈性力(li):50–80g
- 機戒(jie)人(ren)類壽命:1000–2000 次插(cha)拔。
- 運作室內溫度:-55 °C 至(zhi) +160 °C。
- 設備構造:帶可平移易折卸頂蓋,優(you)勢于集成ic高效編輯。

物品性能指標
易拆御開發(fa):GT-BGA-2000 采(cai)用了加(jia)容易進(jin)行更換的自動旋轉插座開關蓋(gai)定(ding)制(zhi),這些定(ding)制(zhi)更加(jia)我們(men)能否不(bu)方便的安裝程序(xu)采(cai)用和拆卸的 BGA 功率器件,增長了制(zhi)作測試(shi)英(ying)文的使用率。
高是真(zhen)(zhen)的(de)嗎(ma)性(xing):該產品按照嚴想(xiang)要的(de)效(xiao)率把控(kong)好,為了確(que)保了高是真(zhen)(zhen)的(de)嗎(ma)性(xing)和不穩性(xing),時候各項高想(xiang)要的(de)軟(ruan)件測(ce)試條件。
選(xuan)用研(yan)究方向
- 檢測室或生育線中對(dui) BGA 芯片(pian)封(feng)裝IC 進(jin)行基(ji)本(ben)工作驗(yan)證通過、基(ji)本(ben)工作測試圖片(pian)與老舊化可靠性試驗(yan)。
- 適合(he)于(yu) 0.15 mm 及大(da)于(yu) Pitch 的 BGA、CSP 等高端定制封(feng)裝類型(xing)。
匹配與定制
- 需做好 Ironwood 轉矩的工(gong)具動用(yong),以(yi)抓(zhua)實垂直面壓縮視頻力并不斷增加粘性體動用(yong)使用(yong)期限。
廣州市立維創展科技產業商標授權銷售商Ironwood Electronics類產品(pin)在中國國家區銷售人員與工藝業務適配。迎接咨(zi)詢中心。