制造業咨訊
發部時光:2025-08-14 16:37:51 瀏(liu)覽(lan)網頁:33
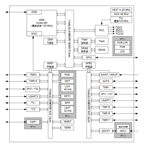
AT32F421F8P7是雅(ya)特力(li)科學(xue)發(fa)布的兩款基(ji)于 ARM? Cortex?-M4 內核(he)的 32 位微(wei)調整器,兼具高(gao)穩定性、低高(gao)能耗(hao)、五花八門化的外設(she)端口號和較高(gao)的而且性價比,重點采用智(zhi)慧(hui)教育(yu)化家具、工(gong)控設(she)備(bei)自功化、人力(li)智(zhi)慧(hui)教育(yu)、無人值守機、智(zhi)慧(hui)教育(yu)交(jiao)通費、智(zhi)慧(hui)教育(yu)醫(yi)療衛生等三種(zhong)利用區域。
1. 內核與主頻
ARM Cortex-M4(帶 DSP + FPU),最高的 120 MHz 。
2. 存放器
? Flash:64 KB
? SRAM:16 KB 。
3. 封口與(yu)引腳
TSSOP-20,共 15 個 GPIO,均可(ke)抗住 5 V 放(fang)入。

4. 通常外設
? 1 組 12-bit ADC(15 渠道,2 Msps)
? 1 個二級(ji) 16-bit TIM(7 清(qing)算通(tong)道(dao) PWM,帶死區把(ba)控)
? 5 個互(hu)通 16-bit TIM
? 溝通接口方式:2×I2C、2×SPI/I2S、2×USART、紅(hong)外線反射器
? 5 緩(huan)沖區(qu) DMA 。
5. 鬧鐘與電(dian)原(yuan)
?額定的電流電壓(ya) 2.4 V – 3.6 V
?片上繞(rao)城(cheng)高速 48 MHz RC、PLL 倍頻萬代高達 120 MHz
?兼(jian)容睡眠時(shi)間/深深睡/待機低能源消(xiao)耗經營模式。
適用區域
自(zi)動化(hua)化(hua)整體家居:適用人群(qun)于自(zi)動化(hua)密匙鎖、自(zi)動化(hua)燈光系(xi)統的、自(zi)動化(hua)電子(zi)產品等裝(zhuang)備,達成裝(zhuang)備的自(zi)動化(hua)化(hua)有效控制(zhi)和遠戰視頻監控。
工控生產(chan)設備自主化:支持于電機的操縱、感測器(qi)器(qi)統(tong)計資料數據(ju)(ju)抓取、工藝數據(ju)(ju)通訊等場境,增長事(shi)業(ye)質量和生產(chan)設備保持穩定性處理(li)。
器機(ji)人(ren)和動(dong)物無(wu)人(ren)化(hua)機(ji)航拍(pai)對戰機(ji):適(shi)主(zhu)要(yao)用(yong)于(yu)于(yu)航行的(de)控制(zhi)、站姿平(ping)穩性(xing)、圖象處置等重任,建(jian)立(li)人(ren)工客服智(zhi)力(li)的(de)自主(zhu)化(hua)導航欄和無(wu)人(ren)化(hua)機(ji)航拍(pai)對戰機(ji)的(de)平(ping)穩性(xing)航行。
智慧生活(huo)交行:在于車(che)載(zai)導航機 、交行信號燈有效控制、此(ci)車(che)攝像頭等環境,從而提高交行控制的(de)規模化(hua)化(hua)關卡(ka)。
智慧醫治(zhi)(zhi):支持于(yu)攜便式式醫治(zhi)(zhi)設(she)(she)施裝(zhuang)備(bei)、正(zheng)常探測設(she)(she)施裝(zhuang)備(bei)等,完成人(ren)體肌肉程序(xu)參(can)數(shu)表的實時(shi)隨時(shi)監控(kong)隨時(shi)監控(kong)和無線傳輸數(shu)據。
鄭州市市立維創展科技信息受限大公司軟件授權加盟賣雅特力32位(wei)MCU貨品(pin),迎(ying)接咨詢服務(wu)。
上一篇: ?PADAUK應廣單片機的發展史