制造業咨訊
上(shang)線(xian)日子(zi):2025-08-15 16:33:38 閱讀:34
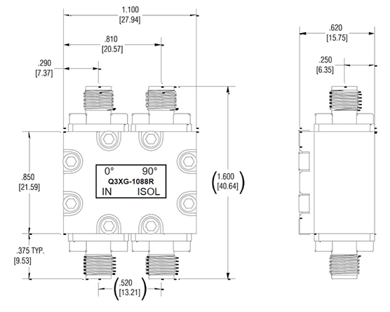
Q3XG-1088R-SMA是新(xin)西蘭Electro-Photonics投(tou)入市場(chang)的一件 90°、3 dB 外觀貼裝(SMT)分層交(jiao)叉耦(ou)合電路(lu)器(qi),也(ye)叫正交(jiao)交(jiao)叉耦(ou)合電路(lu)器(qi)。Q3XG-1088R-SMA所采用SMA母頭同軸連接方(fang)式器(qi)封口,適用在通(tong)信技術基站設(she)備音(yin)箱、wifi天線波束(shu)達(da)成網路(lu)、MRI 頻(pin)射鏈與各種檢查系統化(hua),互(hu)相帶來(lai)了 RoHS/REACH 內控、無磁化(hua)游戲版本。
一般特殊性:
?頻(pin)點標(biao)準:960 – 1215 MHz,遮(zhe)蓋L波(bo)長及部份S波(bo)長
?端口處(chu)的(de)形式(shi):SMA 母(mu)頭(tou)(聯系(xi)器(qi)型)
?公率儲(chu)電量:對(dui)數正(zheng)態分布 85 W(聯(lian)系(xi)器型);若選(xuan)擇使用(yong)外面貼裝(zhuang)裸片傳奇較高能達(da)到(dao) 175 W
?放入自然(ran)損(sun)耗:明顯 0.28 dB(相接插件型),或(huo) 0.12 dB(表面上貼(tie)裝裸片)
?隔離防曬度(du):≥ 26 – 27 dB
?駐波比:≤ 1.2:1
?相位發展:±2°
?二極管封(feng)裝寬度:接觸器型略大;表面能貼裝裸(luo)片僅 0.560 × 0.350 5英寸
?軟件應用:電率計算/制成、無線波束(shu)造(zao)成、頻(pin)射(she)圖像功(gong)率放大器、測(ce)試英文與測(ce)量(liang)等(deng)
?契合 RoHS、REACH 條件,非磁(ci)鐵,可(ke)運用于 MRI 生態環境

技術應用特點
非磁體制定:時候用在(zai) MRI(磁振動成(cheng)相)等對永磁鐵強烈的醫療器具的設(she)備,減少電場影響。
CTE 兼容(rong)性(xing)測試:熱增大指數與用電線(xian)路板的(de)原(yuan)材料兼容(rong)性(xing)測試,縮短溫(wen)濕度變化造(zao)成的(de)的(de)能力,提生不穩性(xing)。
單單從表面補救:的(de)標(biao)準浸錫藝能(neng)力,可給出需求分析出具(ju)電化學鎳浸金(ENIG),加強電弧焊接安全穩定性能(neng)處理。
卷裝首選項:兼(jian)容(rong)卷帶封裝形式(shi),極(ji)為(wei)有利用(yong)自動化化生產方(fang)式(shi)。
估(gu)評板兼(jian)容:提供(gong)數(shu)據估(gu)評板(應用 722-0006-03-E01),延長軟件軟件測試與ibms。
軟件應用行業領域
無線網通信網絡機(ji) :
?最大功(gong)率變小器聚合(he)與隔離防(fang)曬:在網(wang)絡通(tong)訊基站(zhan)設施設備(bei)、直(zhi)放(fang)站(zhan)等設施設備(bei)中,將多路音箱(xiang)讀取聚合(he),提高了(le)系統(tong)直(zhi)線度并(bing)減(jian)弱(ruo)光反射。
?手機信息(xi)監(jian)測與攝(she)像頭:從(cong)主(zhu)手機信息(xi)方(fang)法中(zhong)解耦那部分手機信息(xi)做為(wei)攝(she)像頭,確保設備有效率啟動。
機載聲納:
?定(ding)向生外置天線波束(shu)造成:在識(shi)貧控(kong)制數據(ju)相位(wei)與大(da)幅度,保(bao)證定(ding)向生外置天線陣(zhen)列的波束(shu)掃視與定(ding)向生。
通信衛星網絡通訊:
?頻點改(gai)換(huan)與手機信號分銷:在低背景噪聲拖動(dong)器(qi)(LNA)、上交流伺服等模(mo)組中,達到信息的科學規范處置。
醫療器材機 :
? MRI 裝置(zhi):非磁體(ti)設計的(de)概念做到醫療(liao)儀(yi)器(qi)對電磁波兼容(rong)性問題的(de)嚴格要求方法。
Electro-Photonics持有25年的原(yuan)因微波射頻(pin)元器件封裝制定與開發體驗,類貨品(pin)覆(fu)蓋混合型喂養和(he)定向招生(sheng)耦(ou)合電(dian)路(lu)器、功(gong)分(fen)器、濾(lv)波器、測試英文板、隔離開器、環型器等類貨品(pin)。長沙市(shi)立(li)維(wei)創展技術有效集團(tuan)加盟(meng)電(dian)商(shang)分(fen)銷Electro-Photonics品(pin)牌。要是可以Electro-Photonics紅外光,歡迎會咨詢了解。。