HMC7885FH18單模組化塊微波射頻模組化線路(MMIC)工率拖動器(PA)模組 ADI現貨交易批發商商
推出(chu)用時(shi):2018-06-19 16:42:54 瀏覽網頁(ye):2501
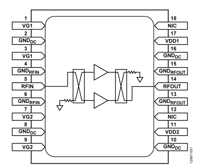
HMC7885FH18一款32 W氮化鎵(GaN)、單交流電源芯片微波通信集合用電線路(MMIC)工作上電壓放小器(PA)摸塊,工作上頻段比率為2 GHz至6 GHz,打造18引腳封嚴摸塊封裝。該放小器平常打造21 dB小表現收獲和45 dBm呈現飽和狀態rf射頻(RF)打印輸入輸出工作上電壓。該放小器應用28 V交流電交流電源的外部耗電(IDD)為2200 mA。隔直RF發送和打印輸入輸出切換至50 ?,利用便于。
|
品牌
|
型號
|
描述
|
貨期
|
庫存
|
|
ADI
|
HMC7885FH18
|
2 GHz至6 GHz,45 dBm功率放大器
|
現貨
|
78
|
HMC7885FH18應用
-
測試與測量設備
-
通信
-
電子戰(EW)
-
軍事
-
行波管(TWT)替換產品
-
SATCOM
HMC7885FH18優勢和特點
-
2 GHz至6 GHz
-
小信號增益:21 dB(典型值)
-
飽和RF輸出功率:45 dBm(典型值,POUT)
-
18引腳、密封模塊
-
工作溫度范圍為-30°C至+60°C
HMC7885FH18結構圖
