HMC7149/HMC7149-SX氮化鎵(GaN) MMIC熱效率調小器 ADI現貨黃金代辦
發布消息用(yong)時:2018-06-22 16:02:59 搜(sou)素:2370
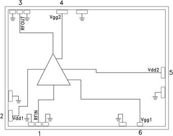
HMC7149是一種款10W氮化鎵(GaN) MMIC效率變成器,運作規律超范圍為6至18 GHz。 大部分情況發生下,該變成器給予20 dB的小無線預警增加收益、+40 dBm的飽和傷害精度效率、+39.5 dBm的傷害精度IP3(每無線預警音+28 dBm傷害精度效率時)。 選取+28V直流電壓電源適配器時,HMC7149的輸出功率為680 mA。 RF I/O識別至50 Ω,需要非常方便版塊化到多集成電路單片機電子器件版塊(MCM)中。 全部不間斷性數據表格均采用不間斷對接至機的薄厚為1.02 mm (40 mil)的CuMo形式的集成電路單片機電子器件拿,而多種直經為1.0 mil的焊線對接集成電路單片機電子器件至50 ?空氣三氧化二鋁無線傳輸各線路。
|
品牌
|
型號
|
描述
|
貨期
|
庫存
|
|
ADI
|
HMC7149
HMC7149-SX
|
10 W GaN MMIC功率放大器,6 - 18 GHz
|
現貨
|
100
|
HMC7149技術應用
HMC7149優勢和特點
-
高Psat: +40 dBm
-
Psat時的功率增益: +10 dB
-
高輸出IP3: +39.5 dBm
-
小信號增益: 20 dB
-
電源電壓: +28V (0.680 A)
-
50 Ω匹配輸入/輸出
-
芯片尺寸: 3.4 x 4.5 x 0.1 mm2
HMC7149結構圖
