HMC1086F10氮化鎵(GaN) MMIC輸出功率增加器10引腳法蘭盤封裝類型 ADI現貨交易
分享的時間:2018-06-22 16:28:05 查看:7065
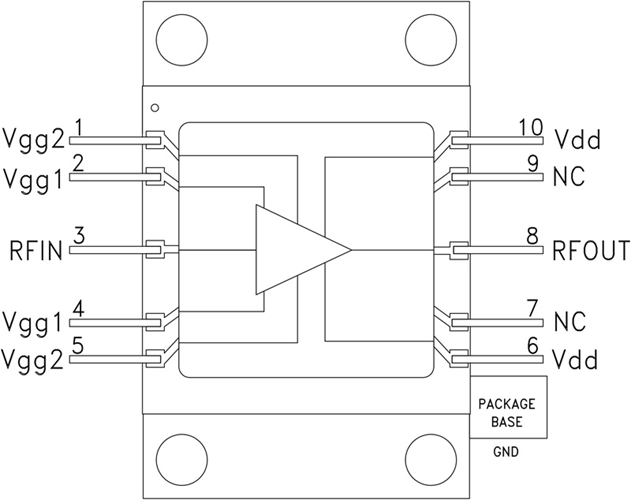
HMC1086F10就是一款25W氮化鎵(GaN) MMIC電效率調小器,作業的頻率條件為2至6 GHz,選取10引腳法蘭盤貼裝封裝類型。 該調小器一般給出23 dB小走勢收獲,+44.5 dBm過剩輸送電效率,在+33 dBm輸送電效率/走勢音下,給出+46 dBm輸送IP3。 該調小器選取+28V交流電外接電源的靜態變量能耗為1,100 mA。 隔直RF I/O識別至50 Ω,采用簡單方便。
|
品牌
|
型號
|
描述
|
貨期
|
庫存
|
|
ADI
|
HMC1086F10
|
25 W GaN法蘭貼裝MMIC功率放大器,2 - 6 GHz
|
現貨
|
230
|
HMC1086F10操作
HMC1086F10優勢和特點
-
高Psat: +44.5 dBm
-
Psat下功率增益: 11 dB
-
高輸出IP3: +46 dBm
-
小信號增益: 23 dB
-
電源電壓: +28V (1100 mA)
-
50 Ω匹配輸入/輸出
-
10引腳法蘭封裝
HMC1086F10結構圖
