TQP7M9105小型蜂窩基站5V高線性度驅動放大器 Qorvo現貨熱銷
2018-07-26 14:12:01
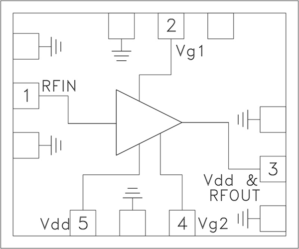
Qorvo的TQP7M9105是1W 5V小款蜂窩移動通信基站?高線形度驅動器放縮器,應用規格SOT-89表面上貼裝封裝類型。在0.9 GHz時,TQP7M9105作為19.4 dB增加收益,超標49 dBm OIP3和+30 dBm壓縮的1dB工作電壓,此外吸引無比低的220 mA電壓。內部管理電路原理容許放縮器作為體現了“AB類”質量的“A類”線形穩定性。TQP7M9105主要包括片上變現的扣減認證功能鍵,使其與行業市場上的各種成品其別疊起