?MH092D3RD直流無刷馬達DELTA
2025-05-28 16:28:14
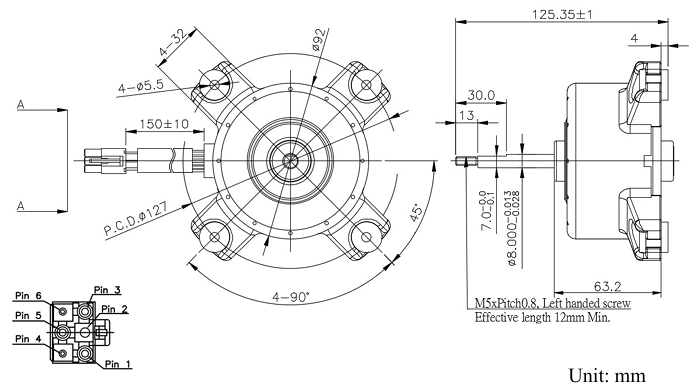
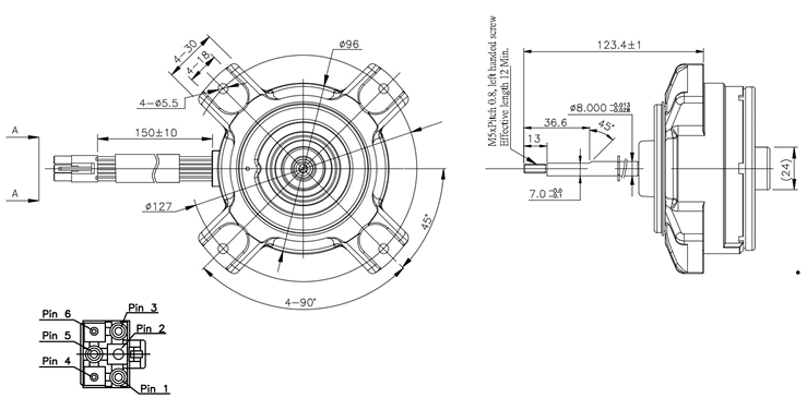
MH092D3RD 是臺達(Delta)的生產的直流電機額定功率電壓無刷電動機,臺達中國國企業開發該產品的并致力技術性改革創新。此無刷電機適用人群于化工業自己化、機誡驅動安裝等方面,其寬敞裝修設計、高輸出相對密度時候科學規范低噪應用場景,包括 280~340 VDC 運行電機額定功率電壓、2100 rpm 電機額定功率發動機轉速等基本的主要參數,引腳有知道構成,掌握科學規范能、可信的品質等競爭優勢,應該傳承無刷電動機科學規范長命特別,經堅持原則質量檢測報告且融進技術性改革創新技術性以完善性能方面與可信性 。