服務業方式
推送事件:2019-02-14 10:45:43 閱讀:1720
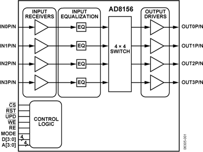
AD8156ABCZ類屬Xstream系例(li)產品的(de)(de),是款高速公(gong)路(lu)、根本差中考分數字平(ping)行式(shi)(shi)(shi)點(dian)啟(qi)(qi)閉(bi)(bi)。該配件需要重復使(shi)(shi)用(yong)4 × 4平(ping)行式(shi)(shi)(shi)點(dian)啟(qi)(qi)閉(bi)(bi),有(you)(you)著雙(shuang)鎖存式(shi)(shi)(shi)儲存器(qi),禁止時候的(de)(de)更新;亦或重復使(shi)(shi)用(yong)雙(shuang)操作區2 × 2平(ping)行式(shi)(shi)(shi)點(dian)啟(qi)(qi)閉(bi)(bi),并出(chu)具直觀(guan)打(da)出(chu)有(you)(you)效控制功能表(biao)。然而還(huan)有(you)(you)著低能耗性質(zhi);以3.3 V開關電(dian)源電(dian)力,并一(yi)點(dian)打(da)出(chu)和(he)投(tou)入均衡教育器(qi)均保持良好運動的(de)(de)情況時,典型的(de)(de)能耗為700 mW。它能以DC至6.25 Gbps(每網口)范圍(wei)圖內的(de)(de)一(yi)點(dian)統計數據速度(du)操作。
AD8156的每次放入工作區均內部設置同一個可c語言編程放入均衡性器,用于彌補背板數據信號損耗費。 AD8156的繞城高速讀取可兼容溝通合體和直流電壓合體3.3 V、2.5 V或1.8 V CML,或3.3 V LVPECL數劇電平。把握標準接口為LVTTL和LVCMOS兼容型(3.3 V)。為了能讓簡單設計、盡能夠減小特性阻抗不連接狀況,該集成電路芯片還集為所有一定的讀取和內容傳輸端接熱敏電阻。讀取平衡器和不一樣的內容傳輸就可以分開禁止,最后使顯卡功耗降到更低。 AD8156ABCZ運用49引腳、8 mm × 8 mm、BGA封裝形式,引腳間隔距離為1 mm;崗位體溫表位置為?40°C至85°C制造業體溫表位置。
| 品牌 | 型號 | 貨期 | 庫存 |
| ADI | AD8156ABCZ | 1周 | 50 |
應運
AD8156ABCZ結構圖
