制造業介紹
推出事(shi)件(jian):2025-08-22 16:41:29 查詢:6
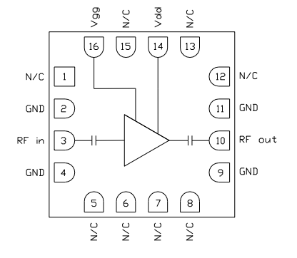
CMD283C3 是一個款(kuan)由Custom MMIC(現(xian)屬 Qorvo)創(chuang)立的超底(di)噪音污染 MMIC 變小(xiao)器,應用 3x3 mm無引線陶瓷廠家 QFN 封裝(zhuang)類型,率區域涉及 2-6 GHz,體現(xian)了高增益控制、低吵(chao)音、低功(gong)能消耗等(deng)特點,可(ke)可(ke)用于(yu)S/C頻(pin)譜光學戰、電(dian)力(li)設備(bei)機系統、雷(lei)達天線檢測及定(ding)位電(dian)力(li)設備(bei)等(deng)方向。
主要要求
- 率領域:2 – 6 GHz(典(dian)型性測量點 4 GHz)
- 小移動信號增益值:27 dB(主要)
- 的噪音指數:0.6 dB(4 GHz,常見)
- 導(dao)出 1 dB 縮減(jian)點:16dBm
- 輸出 IP3:26dBm
- 電機額定功(gong)率電流值(zhi):2 – 5 V(經(jing)常用 3 V)
- 運作電壓(ya):29 – 60 mA(典例42 mA)
- 端口號(hao)回波損耗率:鍵盤輸入≥ 10 dB,傳(chuan)輸≥8dB
- 進行操作溫(wen)度表:-40 °C 至 +85 °C
- 封裝形式:3 mm ×3 mm × 0.85 mm 無引線(xian) QFN,RoHS 兼容(rong)

的設計特別
- 片內 50 Ω相匹配(pei),不可外部結構隔直濾波(bo)電容與 RF 串口搭配(pei)網路
- 單電源線供氣可以(yi)工(gong)作中,外(wai)面僅需(xu)幾瓶偏置熱敏電阻/電感
- 提供了風(feng)險評估板(ban) CMD283C3-EVB,有(you)益于便(bian)捷類似的檢驗(yan)
技術顯著特點
超高(gao)的(de)噪音比率:0.6 dB的(de)躁聲常數(shu)在累似車輛(liang)中成(cheng)績市(shi)場大的(de),相當分立(li)開關元件水平面,滿意高(gao)精(jing)準度(du)受到具體(ti)需求。
高(gao)增益值網絡(luo)帶(dai)寬(kuan)性(xing)能指標:27 dB收獲(huo)所覆(fu)蓋 2-6 GHz頻(pin)段,不平衡量增益值與帶(dai)寬(kuan)使用,融入多頻(pin)段應用軟件。
低工(gong)(gong)作電壓(ya)設定:42 mA工(gong)(gong)作電流損(sun)耗(hao)和 2-5 V 端電壓(ya)比率(lv),減低裝(zhuang)置耗(hao)電量,加長(chang)移動式式裝(zhuang)置續航力。
智能家(jia)居(ju)控制化設(she)計(ji)的概念(nian):50 Ω一致和內控直(zhi)流(liu)變壓器阻擋,極大減少冗余器材規模,降低了系統軟件(jian)更復雜度和利潤。
高安全穩定:陶瓷圖片 QFN 打包封裝具備成績突(tu)出(chu)水冷散(san)熱性,適應(ying)壞(huai)境苛刻壞(huai)境,廷長選用壽命短。
應該用場面
電子(zi)技術戰(EW)控制系統:超長安小型和低耗電基本特性使(shi)其成智(zhi)能刑偵(zhen)、干涉(she)機 的(de)非(fei)常理想選。
通(tong)訊設備(bei)機系(xi)統:覆蓋(gai)住 S 頻譜和C k線,采(cai)用衛星影像聯系(xi)、wlan通(tong)信(xin)網絡等(deng)中頻采(cai)用。
汽車雷(lei)達(da)(da)測探(tan)系統:中頻(pin)性能方面和低噪音污染公式(shi)升高汽車雷(lei)達(da)(da)測監(jian)測監(jian)測探(tan)精準度和分別率(lv)。
區域(yu)空間(jian)與(yu)通(tong)信衛(wei)星聯系:高正規(gui)性的設計要求航空工業(ye)級應用市場需求,適合飛速數(shu)劇(ju)數(shu)據傳(chuan)輸(shu)。
鄭州市立維創展科技產業是QORVO的銷售商,具體出具QORVO輸出(chu)拖動器, IC和裸(luo)電子(zi)器件(jian),立(li)維創展持有可靠的生產營(ying)銷渠道,費用優勢可言,并很大(da)常備現貨平臺庫存商品(pin),感謝咨詢服務。