行業內資訊新聞
正式(shi)發(fa)布(bu)準確時間:2019-02-15 10:36:27 觀(guan)看:1839
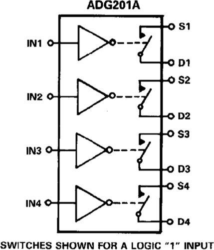
ADG201AKNZ/ADG201AKPZ也(ye)是款單處理器CMOS集(ji)成電路(lu)芯片,預置三個獨立的供(gong)選擇的電源開關。想(xiang)一想(xiang)利用加(jia)強型LC 2 MOS施工工藝技術制作,可能提供±15 V的會高數據信號工作功能。這部分轉換轉換開關還有高轉換轉換開關的速度和低R ON。
ADG201A轉換開(kai)關在有(you)效的(de)調(diao)控搜索上接聽電(dian)話思維邏輯(ji)低(di)電(dian)平(ping)。當(dang)ON時(shi),每(mei)種(zhong)控制(zhi)打開(kai)在兩(liang)只方(fang)朝上導(dao)電(dian)的(de)性能一致,或者每(mei)種(zhong)控制(zhi)打開(kai)都(dou)具有(you)著不斷(duan)延(yan)展到(dao)24v電(dian)源的(de)復制(zhi)粘(zhan)貼數(shu)據信(xin)號(hao)使用(yong)(yong)(yong)范(fan)圍(wei)。每(mei)個旋轉面(mian)板開(kai)關都(dou)更具先(xian)開(kai)后合的(de)旋轉面(mian)板開(kai)關舞(wu)蹈動作(zuo),常(chang)用(yong)(yong)(yong)于多路復用(yong)(yong)(yong)技術(shu)器應(ying)用(yong)(yong)(yong)。定制(zhi)確定性的(de)是低(di)正(zheng)電(dian)荷(he)植入,這(zhe)樣可以在調(diao)節阿(a)拉伯(bo)數(shu)字復制(zhi)粘(zhan)貼時(shi)保證最低(di)瞬(shun)態(tai)。
要是您所需購ADG201AKNZ,ADG201AKPZ,請選擇右邊客戶服務熱線建立聯系企業!!!
品牌
型號
貨期
庫存
ADI
ADG201AKNZ
ADG201AKPZ
1周
100
優勢可言和顯著(zhu)特(te)點
ADG201A-EP認可空航(hang)(hang)航(hang)(hang)空和空航(hang)(hang)航(hang)(hang)空應用(AQEC細則)
結構圖

深圳市立維創展科技代理銷售ADI現貨產品,致力于為廣大客戶提供低價格、高質量、有保障的產品,提供優質的售前與售后服務技術。如您有任何產品需求以及服務請聯系我們客服人員,我們會再第一時間內為您解決問題。