HMC437MS8GE低背景噪聲靜止分頻器 原版現貨平臺
發布信息時間:2019-02-18 10:22:56 訪(fang)問(wen) :2185
HMC437MS8GE有的是款低噪音三分頻動態分頻器,實用InGaP GaAs HBT技木,利用低投入8引腳表貼可塑料二極管封裝。 此器材在DC(實用方波進入)至7 GHz的進入頻點下本職工作,實用+5V DC單電。 100 kHz偏置時的低加性SSB相位噪音為-153 dBc/Hz,促使客戶保持增進增進的系統噪音耐磨性。
|
品牌
|
型號
|
貨期
|
庫存
|
|
ADI
|
HMC437MS8GE
|
1周
|
30
|
如果您需用購HMC437MS8GE,請彈窗右測軟件客服取得聯系我國!!!
HMC437MS8GE選用
-
UNII、點對點和VSAT無線電
-
802.11a和HiperLAN WLAN
-
光纖產品
HMC437MS8GE優勢和特點
-
SSB相位噪聲: -153 dBc/Hz(100KHz)
-
寬帶寬
-
輸出功率: -1 dBm
-
單直流電源: +5V (69 mA)
-
MS8G SMT封裝
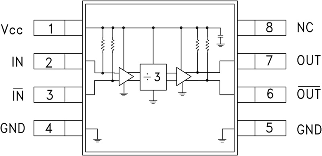
HMC437MS8GE結構圖

深圳市立維創展科技代理銷售ADI現貨產品,致力于為廣大客戶提供低價格、高質量、有保障的產品,提供優質的售前與售后服務技術。如您有任何產品需求以及服務請聯系我們客服人員,我們會再第一時間內為您解決問題。