AD7980ARMZ法向齒裝換器(ADC) 代理加盟現貨黃金
發(fa)布的(de)用時:2019-02-18 14:00:32 搜索:1883
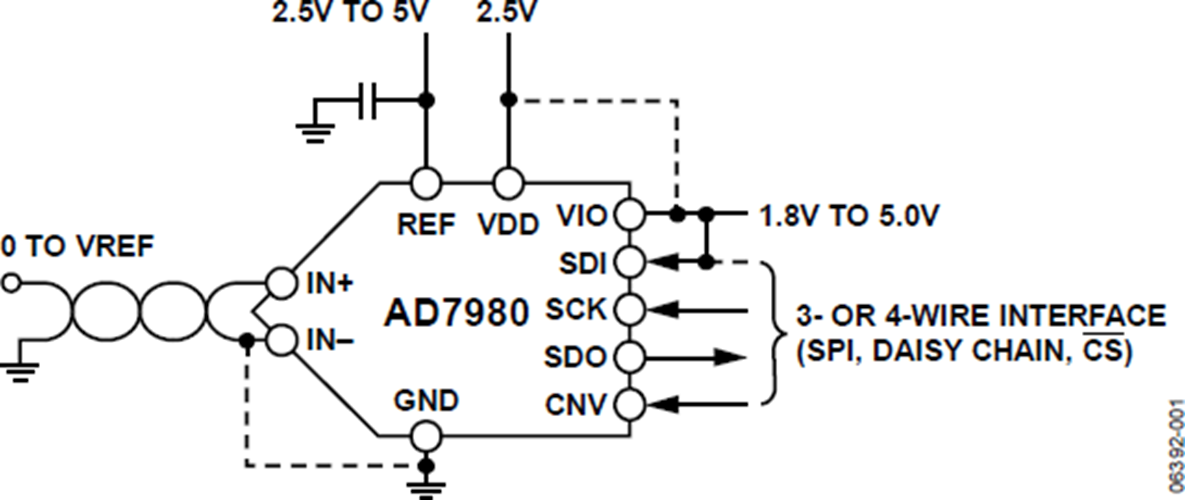
AD7980ARMZ一款16位、逐次靠近型變位系數換算器(ADC),運用單供電設備(VDD)供電設備。它預置另兩個低功用損耗、公路、16位監測系統ADC和另兩個多功用串行接口標準接口。在CNV上升的沿,該功率器件對IN+與IN-兩者的模擬系統鍵盤輸入的電流值差去監測系統,范圍圖從0 V至REF。基準點的電流值(REF)由外部鏈接供應,或者都可以自己于供電設備的電流值(VDD)。功用損耗和吞吐傳輸率呈平滑變化規律的關系。
SPI兼容串行插孔還是可以巧用SDI設置,將3個ADC以金絲菊鏈行式相連到一道3線式串口通信上,并展示 自選的系統繁忙告訴。選取自己電壓VIO時,它與1.8V、2.5V、3V和5V方法論兼容。
AD7980ARMZ采取10引腳MSOP打包芯片封裝或10引腳QFN (LFCSP)打包芯片封裝,做工作溫濕度使用范圍為?40°C至+125°C。
|
品牌
|
型號
|
貨期
|
庫存
|
|
ADI
|
AD7980ARMZ
|
1周
|
50
|
要是您應該購AD7980ARMZ,請打開網頁左面克服練習公司!!!
AD7980ARMZ用途
AD7980ARMZ優勢和特點
-
16位分辨率、無失碼
-
呑吐速率:1 MSPS
-
低功耗
4 mW(1 MSPS,僅VDD)
7 mW(1 MSPS,總功耗)
70 μW (10 kSPS)
-
INL:典型值±0.6 LSB,最大值±1.25 LSB
-
信納比(SINAD):91.25 dB(10 kHz時)
-
THD:-110 dB(10 kHz時)
-
欲了解更多特性,請參考數據手冊
AD7980ARMZ蘋果支持防務和飛防航空應用領域(AQEC原則)
-
下載AD7980-EP數據手冊(pdf)
-
受控制造基線
-
唯一封裝/測試廠
-
唯一制造廠
-
增強型產品變更通知
-
認證數據可應要求提供
-
軍用溫度范圍(?55℃至+125℃)
-
V62/12640 DSCC圖紙號
AD7980ARMZ示意圖
