AD7980BRMZ系數變換器ADC 代現貨平臺
上(shang)傳時期:2019-02-18 14:46:26 挑(tiao)選:2021
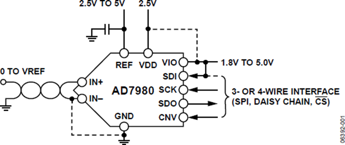
AD7980BRMZ不是款16位、逐次走近型法向齒裝換器(ADC),分為單外接電源開關(VDD)變電。它默認設置一位低能耗測試、高速收費站、16位取樣ADC和一位多基本功能串行接口方式端口設置。在CNV持續上升沿,該集成電路芯片對IN+與IN-兩者的虛擬讀取線電阻電流差開展取樣,范圍圖從0 V至REF。基準線線電阻電流(REF)由其他提供了,還有也可以獨特于外接電源開關線電阻電流(VDD)。能耗測試和吞吐頻率呈直線轉變的關聯。
SPI兼容串行界面還會用SDI復制粘貼,將以下幾個ADC以金絲菊鏈表現形式銜接到條四線式數據總線上,并展示可以的煩忙的指示。用單獨的電壓VIO時,它與1.8V、2.5V、3V和5V邏輯推理兼容。
AD7980BRMZ運用10引腳MSOP打包封裝類型或10引腳QFN (LFCSP)打包封裝類型,工作任務溫暖范圍之內為?40°C至+125°C。
|
品牌
|
型號
|
貨期
|
庫存
|
|
ADI
|
AD7980BRMZ
|
1周
|
20
|
倘若您需購AD7980BRMZ,請點擊進入右邊網上客服電話在線留言公司!!!
AD7980BRMZ應(ying)用領域
AD7980BRMZ優勢和特點
-
16位分辨率、無失碼
-
呑吐速率:1 MSPS
-
低功耗
4 mW(1 MSPS,僅VDD)
7 mW(1 MSPS,總功耗)
70 μW (10 kSPS)
-
INL:典型值±0.6 LSB,最大值±1.25 LSB
-
信納比(SINAD):91.25 dB(10 kHz時)
-
THD:-110 dB(10 kHz時)
-
欲了解更多特性,請參考數據手冊
AD7980-EP鼓勵防務和飛機航天技術軟件(AQEC基準)
-
下載AD7980-EP數據手冊(pdf)
-
受控制造基線
-
唯一封裝/測試廠
-
唯一制造廠
-
增強型產品變更通知
-
認證數據可應要求提供
-
軍用溫度范圍(?55℃至+125℃)
-
V62/12640 DSCC圖紙號
AD7980BRMZ示意圖
