HMC-AUH256定位通迅四六級驅動程序圖像放大儀 ADI現貨黃金
發(fa)布消息日(ri)期:2019-02-20 15:38:45 閱覽:1815
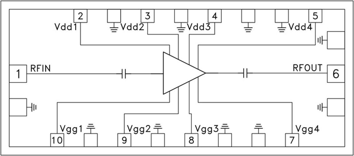
HMC-AUH256是款GaAs MMIC HEMT4級能夠調大器,工做的頻次超范圍17.5至41 GHz。 可能盡寸較小(1.93 mm2),該存儲電子器件可更好智能家居控制到多存儲電子器件傷害模塊(MCM)中。 HMC-AUH256在1 dB縮短點能提供21 dB的增益值和+20 dBm的傷害電功率,運行+5V的偏置電源模塊(295 mA)。 HMC-AUH256還要用作倍頻器。 保證 倍頻器工做的的簡要偏置經濟條件。
|
品牌
|
型號
|
貨期
|
庫存
|
|
ADI
|
HMC-AUH256
|
1周
|
100
|
如果您需選擇HMC-AUH256,請鼠標點擊右邊微信客服找話題各位!!!
app
優勢和特點
-
增益: 21 dB
-
P1dB輸出功率: +20 dBm
-
寬帶性能:
17.5至41 GHz
-
電源電壓:
+5V (295 mA)
-
小尺寸芯片:
2.1 x 0.92 x 0.1 mm
示意圖
