HMC409LP4E/HMC409LP4ETR更高速度最大功率拖動器 ADI現貨交易
發(fa)布消息日子:2018-06-26 11:07:05 瀏覽記(ji)錄:7547
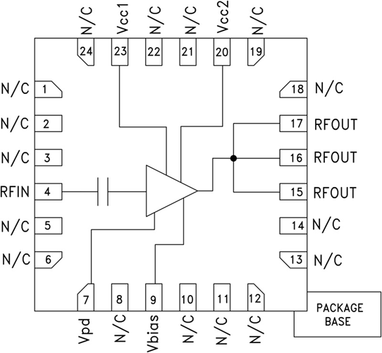
HMC409LP4(E)就是款吸收率率GaAs InGaP HBT MMIC瓦數拖動器,作業的頻率時間范圍為3.3至3.8 GHz。 該拖動器利用低生產成本、無鉛SMT封口。 它利用數最多的 外部pcb板,具備31 dB收獲,飽和瓦數為+32.5 dBm,交流電源電壓值為+5V。 瓦數管控(Vpd)能用的 于全性能形式 形式 或RF輸入的輸出瓦數/交流電管控。 這對+22 dBm OFDM輸入的輸出瓦數(64 QAM, 54 Mbps),HMC409LP4(E)可改變2%的計算誤差矢量素材小幅度(EVM),然而滿意WiMAX 802.16線形度追求。
|
品牌
|
型號
|
描述
|
貨期
|
庫存
|
|
ADI
|
HMC409LP4E
HMC409LP4ETR
|
1 W功率放大器SMT,3.3 - 3.8 GHz
|
現貨
|
237
|
HMC409LP4應用
-
WiMAX 802.16
-
固定無線接入
-
無線本地環路
HMC409LP4優勢和特點
-
增益: 31 dB
-
40% PAE (+32.5 dBm pout)
-
2% EVM (Pout = +22 dBm)
具有54 Mbps OFDM信號
-
+46 dBm輸出IP3
-
集成功率控制(Vpd)
-
+5V單電源
HMC409LP4結構圖
