HMC565LC5低背景噪聲變大器處理器 ADI現貨平臺
上(shang)架時(shi):2019-02-26 10:52:55 查詢(xun):1760
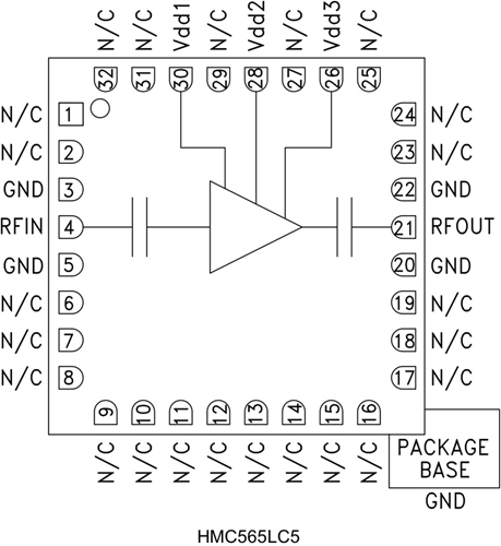
HMC565LC5有的是款高新動態條件GaAs PHEMT MMIC低噪音風機源放縮器,應用領域最適合RoHS規格的無引腳5x5mm SMT二極管封裝。 HMC565LC5作業的頻點條件為6至20 GHz,在整塊作業的頻段內具有著21 dB小數據信號增益控制、2.5 dB噪聲污染源比率和+20 dBm內容輸出IP3。 是由于應用領域+3V電源開關共電和隔直RF I/O,該自偏置LNA很最適合徽波手機無線電應用領域。
|
品牌
|
型號
|
貨期
|
庫存
|
|
ADI
|
HMC565LC5
|
1周
|
100
|
若是您需買HMC565LC5,請點選右測客服中心聯(lian)絡(luo)我們的(de)!!!
應用
-
點對點無線電
-
點對多點無線電和VSAT
-
測試設備和傳感器
-
軍事和太空
優勢和特征
-
噪聲系數: 2.5 dB
-
增益: 21 dB
-
OIP3: 20 dBm
-
單電源: +3V (53 mA)
-
50 Ω匹配輸入/輸出
-
符合RoHS標準的5x5 mm封裝
示意圖

深圳市立維創展科技代理銷售ADI現貨產品,致力于為廣大客戶提供低價格、高質量、有保障的產品,提供優質的售前與售后服務技術。如您有任何產品需求以及服務請聯系我們客服人員,我們會再第一時間內為您解決問題。