HMC447LC3低的噪音3分頻凈化分頻器 現貨黃金
發布消息(xi)期限:2019-02-26 14:07:37 閱讀(du):1720
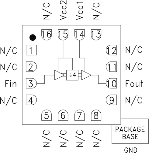
HMC447LC3是一種款低嘈音四分頻復蘇分頻器,用到InGaP GaAs HBT的技術。 這牌光纖寬帶分頻器的做工作鍵入規律為10到26 GHz,可連受極寬區域的鍵入電機功率級別。 HMC447LC3有-150 dBc/Hz的尤其低SSB相位嘈音(100 kHz偏置時),尤其適當在高頻鎖相環(PLL)中利用,和1個整體中想要基波和分頻LO規律的本振(LO)分派應用。
這類的功能周全的分頻器的使用單獨一個+5V正交流電源,耗電量僅為96 mA,在額定帶寬的配置情況下帶來了至關崎嶇不平的輸出精度工作功率。 HMC447LC3進行按照RoHS標準的的3x3 mm的無引腳SMT打包封裝,存在爆露的地線焊盤。
|
品牌
|
型號
|
貨期
|
庫存
|
|
ADI
|
HMC447LC3
|
1周
|
100
|
如果您想要下單HMC447LC3,請彈窗左邊網上客服找我們的!!!
HMC447LC3應用
-
點對點/多點無線電
-
VSAT無線電
-
光纖產品
-
測試設備
HMC447LC3優勢和特征
-
很寬的帶寬
-
超低SSB相位噪聲: -150 dBc/Hz
-
輸出功率: -4 dBm
-
單直流電源: +5V
-
符合RoHS標準的3x3 mm SMT封裝
HMC447LC3示意圖

深圳市立維創展科技代理銷售ADI現貨產品,致力于為廣大客戶提供低價格、高質量、有保障的產品,提供優質的售前與售后服務技術。如您有任何產品需求以及服務請聯系我們客服人員,我們會再第一時間內為您解決問題。