HMC394LP4低燥音GaAs HBT可程序設計5位篩選器 外盤
發布的時候(hou):2019-02-26 17:20:32 預覽:1781
HMC394LP4(E)就是一款低躁音GaAs HBT可編序5位數值器,采取4x4 mm無鉛面上貼裝裝封。 在鍵盤輸入頻點高達hg2.2 GHz時,該電子器件可在N為2至32范圍之內參與間斷性分頻。 輸出電壓值擺幅為800 mV,占空比與N相差懸殊。100 kHz失常時,該數值器的加性SSB相位躁音低至?153 dBc/Hz,相對滿足低躁音頻點生成器用。
|
品牌
|
型號
|
貨期
|
庫存
|
|
ADI
|
HMC394LP4
|
1周
|
90
|
若是您想要購入HMC394LP4,請鼠標點擊左側人工服務練習人們!!!
應用
優勢和特征
-
SSB相位噪聲: -153 dBc/Hz(100 kHz)
-
可選分頻:2至32
-
并行5位控制
-
寬輸入功率范圍: -20至+10 dBm
-
4x4 mm無鉛SMT封裝
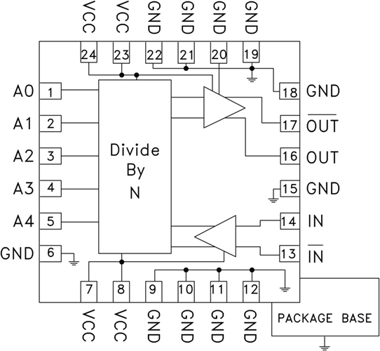
示意圖

深圳市立維創展科技代理銷售ADI現貨產品,致力于為廣大客戶提供低價格、高質量、有保障的產品,提供優質的售前與售后服務技術。如您有任何產品需求以及服務請聯系我們客服人員,我們會再第一時間內為您解決問題。